LEMON Manuals: Even more car manuals for everyone: 1960-2025
Home >> Chrysler >> 2005 >> Sebring Convertible V6-2.7L VIN R >> Repair and Diagnosis >> Relays and Modules >> Relays and Modules - Powertrain Management >> Relays and Modules - Computers and Control Systems >> Engine Control Module >> Locations >> Component Locations
April 5, 2026: LEMON Manuals is launched! Read the announcement.

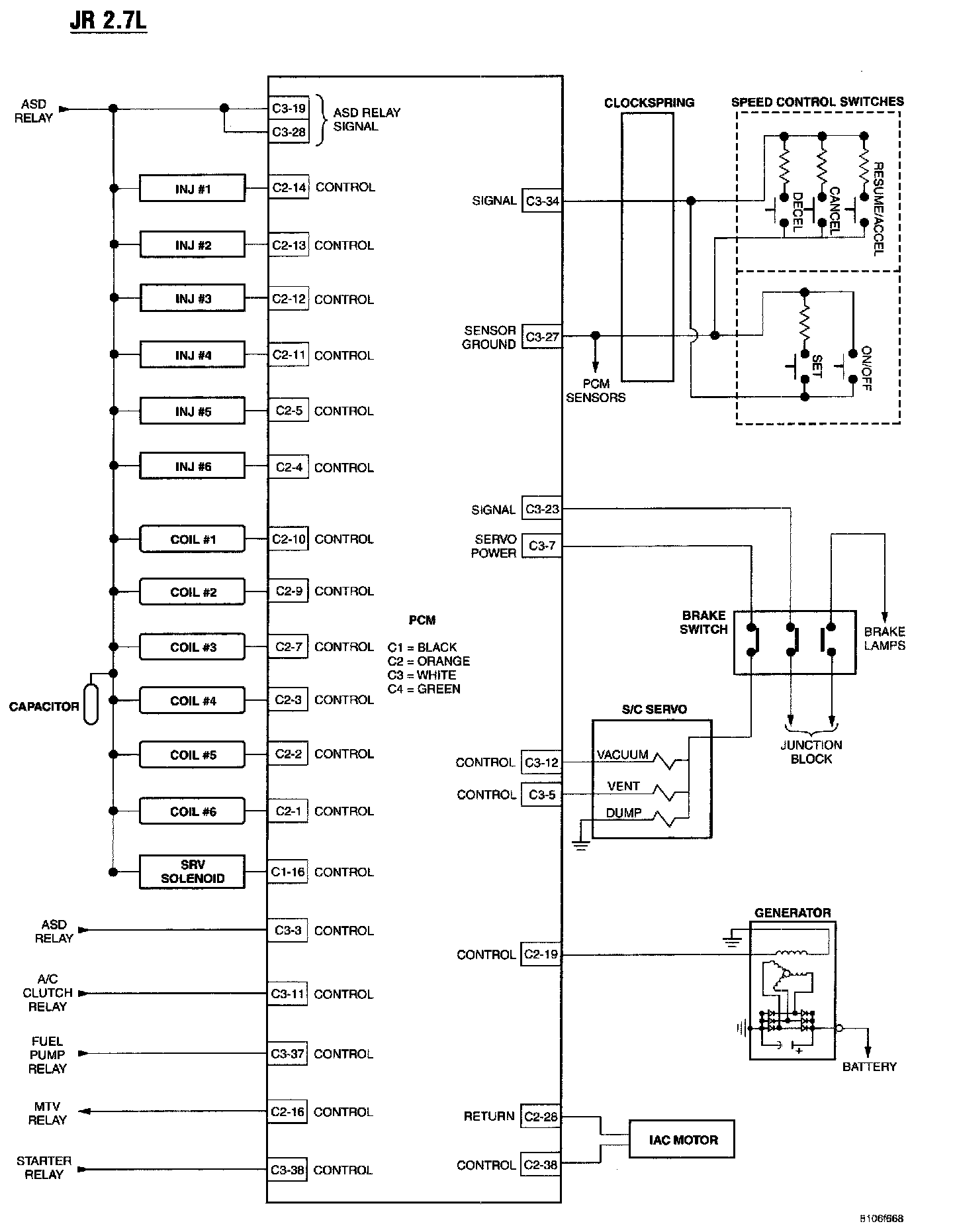
Component Locations

JR 2.7L:



JR 2.7L: