LEMON Manuals: Even more car manuals for everyone: 1960-2025
Home >> Chrysler >> 2006 >> 300 Base, 42RLE/VLP >> Repair and Diagnosis >> Steering >> Steering Control Systems >> Steering System - Electrical Diagnostics >> Column Electrical Diagnosis >> DTC Troubleshooting >> B1D93-Steering Column Telescope Motor Control Circuit Performance >> Notes
April 5, 2026: LEMON Manuals is launched! Read the announcement.

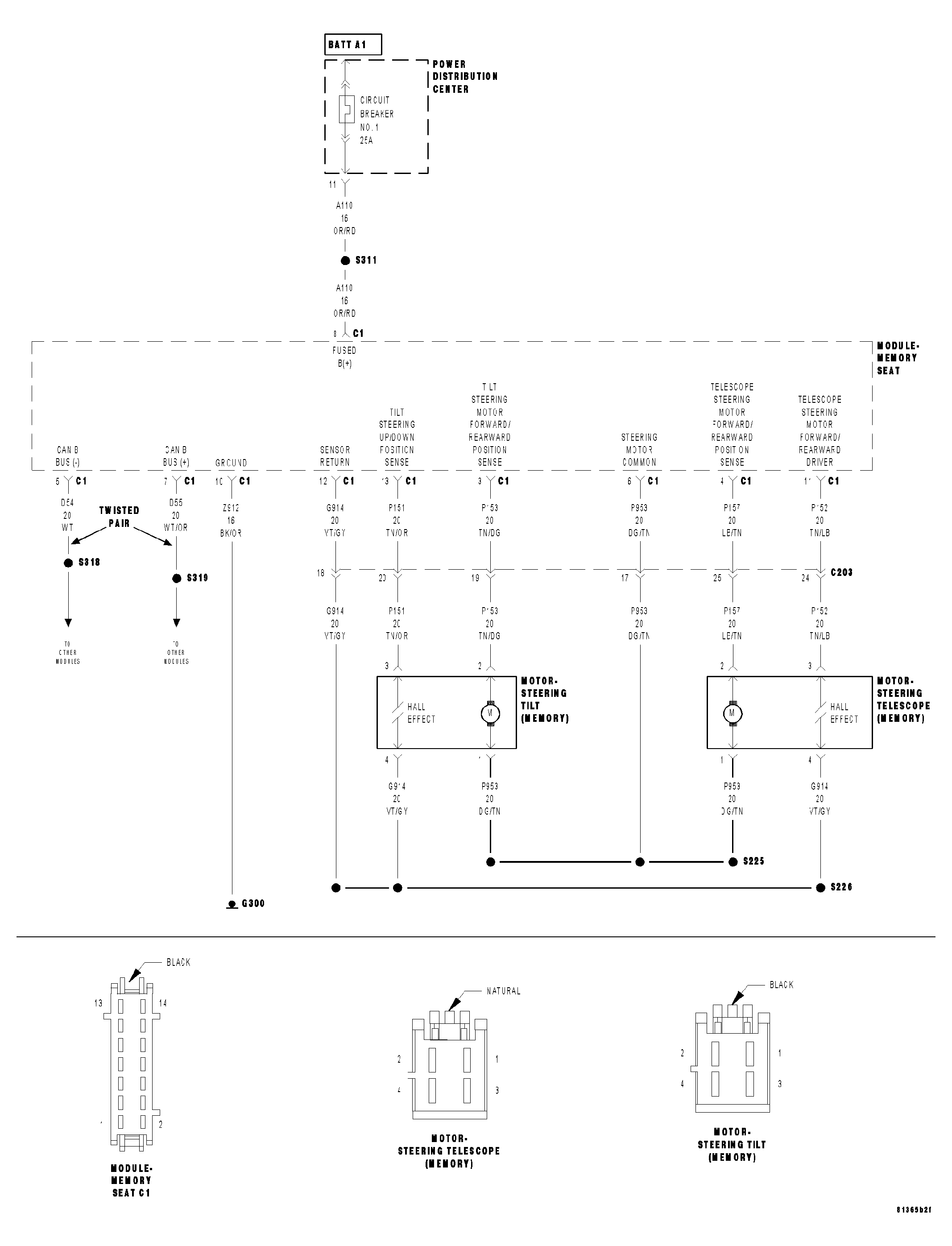
B1D93-Steering Column Telescope Motor Control Circuit Performance: Notes

Fig 1: Steering Motor Circuit
GC0013173Courtesy of DAIMLERCHRYSLER CORP.