LEMON Manuals: Even more car manuals for everyone: 1960-2025
Home >> Chrysler >> 2006 >> Crossfire Base, 2D Convertible >> Repair and Diagnosis (Single Page) >> Engine Performance >> System >> DTC P2561, Checking Fuel Delivery/System, Symptom Tests, Verification Tests & Schematics And Diagrams >> Diagnosis And Testing >> *Checking Hard Start (Fuel System) >> Notes
April 5, 2026: LEMON Manuals is launched! Read the announcement.

*Checking Hard Start (Fuel System): Notes

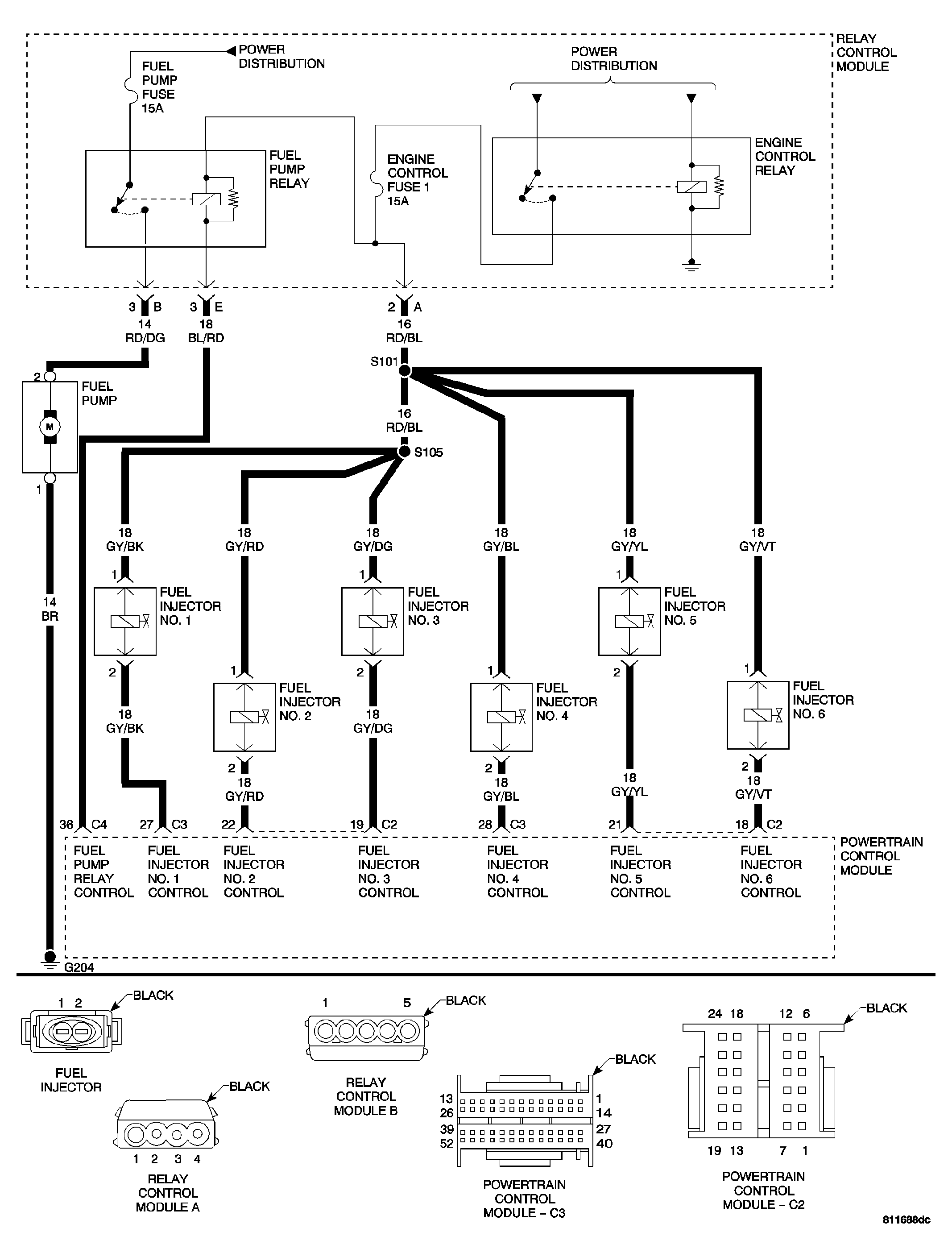
Fig 1: Fuel Pump & Injectors Circuit Schematic
GC0034193Courtesy of DAIMLERCHRYSLER CORP.
POSSIBLE CAUSES 
RESTRICTED FUEL SUPPLY LINE
FUEL PUMP INLET STRAINER PLUGGED
FUEL PUMP
FUEL FILTER/FUEL PRESSURE REGULATOR
FUEL INJECTOR(S)
FUEL CONTAMINATION

For a complete Powertrain Control Module Circuit Diagram, (Refer to ENGINE - SCHEMATICS AND DIAGRAMS) .