LEMON Manuals: Even more car manuals for everyone: 1960-2025
Home >> Chrysler >> 2007 >> 300 Base >> Repair and Diagnosis (Single Page) >> Accessories & Equipment >> Anti-Theft Systems >> Vehicle Theft Security System - Electrical Diagnostics >> Vehicle Theft Security - Electrical Diagnostics >> DTC Troubleshooting >> B2254-Column Lock Module Internal >> Circuit Schematic
April 5, 2026: LEMON Manuals is launched! Read the announcement.

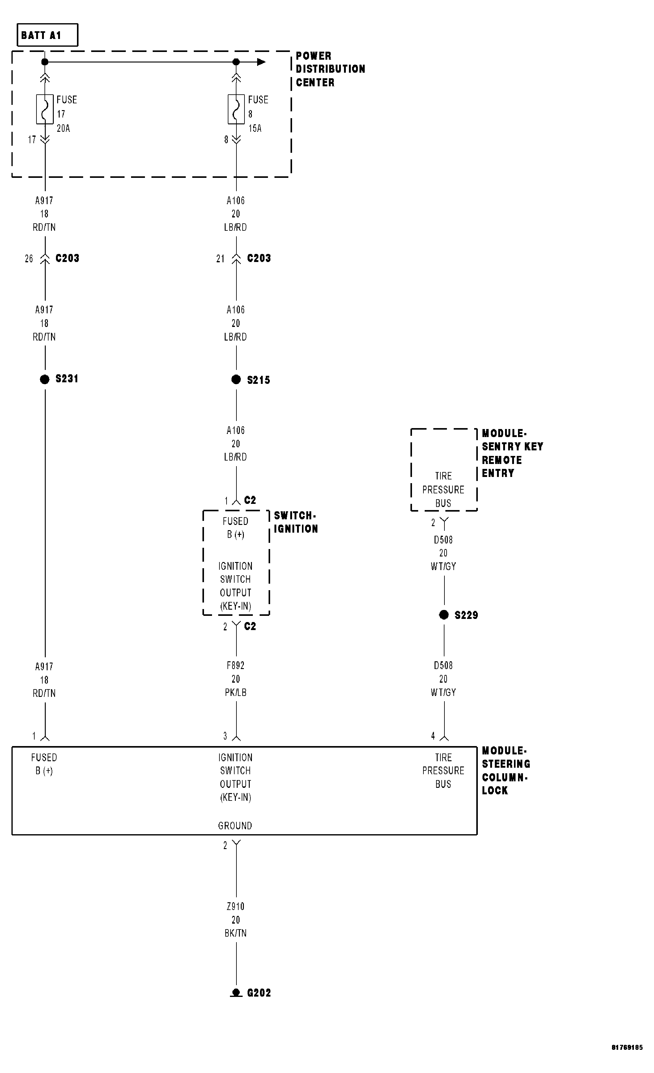
Circuit Schematic

Fig 1: Column Lock Module Internal Circuit Diagram
GC0040884Courtesy of CHRYSLER LLC