LEMON Manuals: Even more car manuals for everyone: 1960-2025
Home >> Chrysler >> 2007 >> 300 Base >> Repair and Diagnosis (Single Page) >> Restraints >> Restraints Control Systems >> Air Bag Restraint System - Electrical Diagnostics >> Restraints - Electrical Diagnostics >> DTC Troubleshooting >> B212C - Ignition Run/Start Input Circuit Open >> Circuit Schematic
April 5, 2026: LEMON Manuals is launched! Read the announcement.

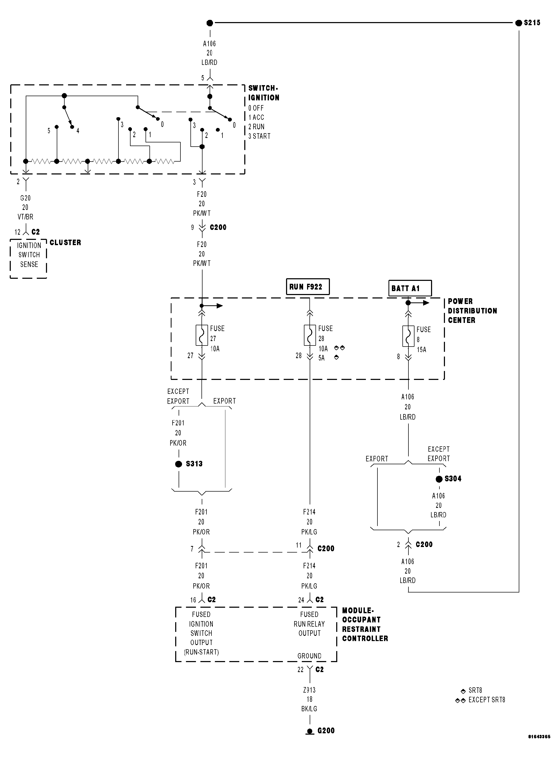
Circuit Schematic

Fig 1: Ignition Run/Start Input Circuit Schematic
GC0040855Courtesy of CHRYSLER LLC