LEMON Manuals: Even more car manuals for everyone: 1960-2025
Home >> Chrysler >> 2007 >> Crossfire Base, 2D Convertible >> Repair and Diagnosis (Single Page) >> Accessories & Equipment >> Wiper/Washer Systems >> Wiper System & Washer System - Electrical Diagnostics >> Wipers/Washers - Electrical Diagnostics >> Schematics And Diagrams >> Wiper System Circuit Diagram
April 5, 2026: LEMON Manuals is launched! Read the announcement.

Wiper System Circuit Diagram

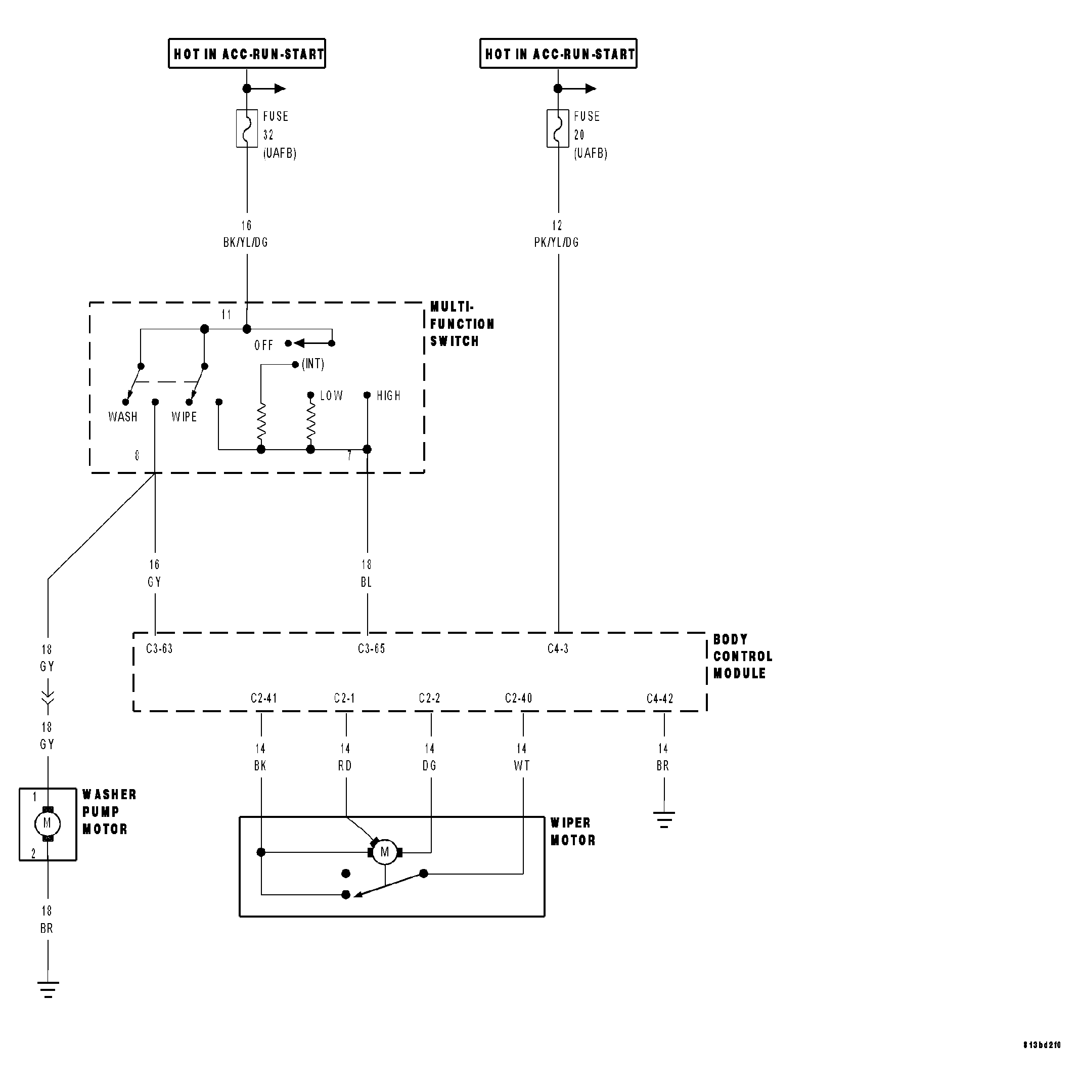
Fig 1: Wipers/Washers Circuit Schematic
GC0035769Courtesy of CHRYSLER LLC
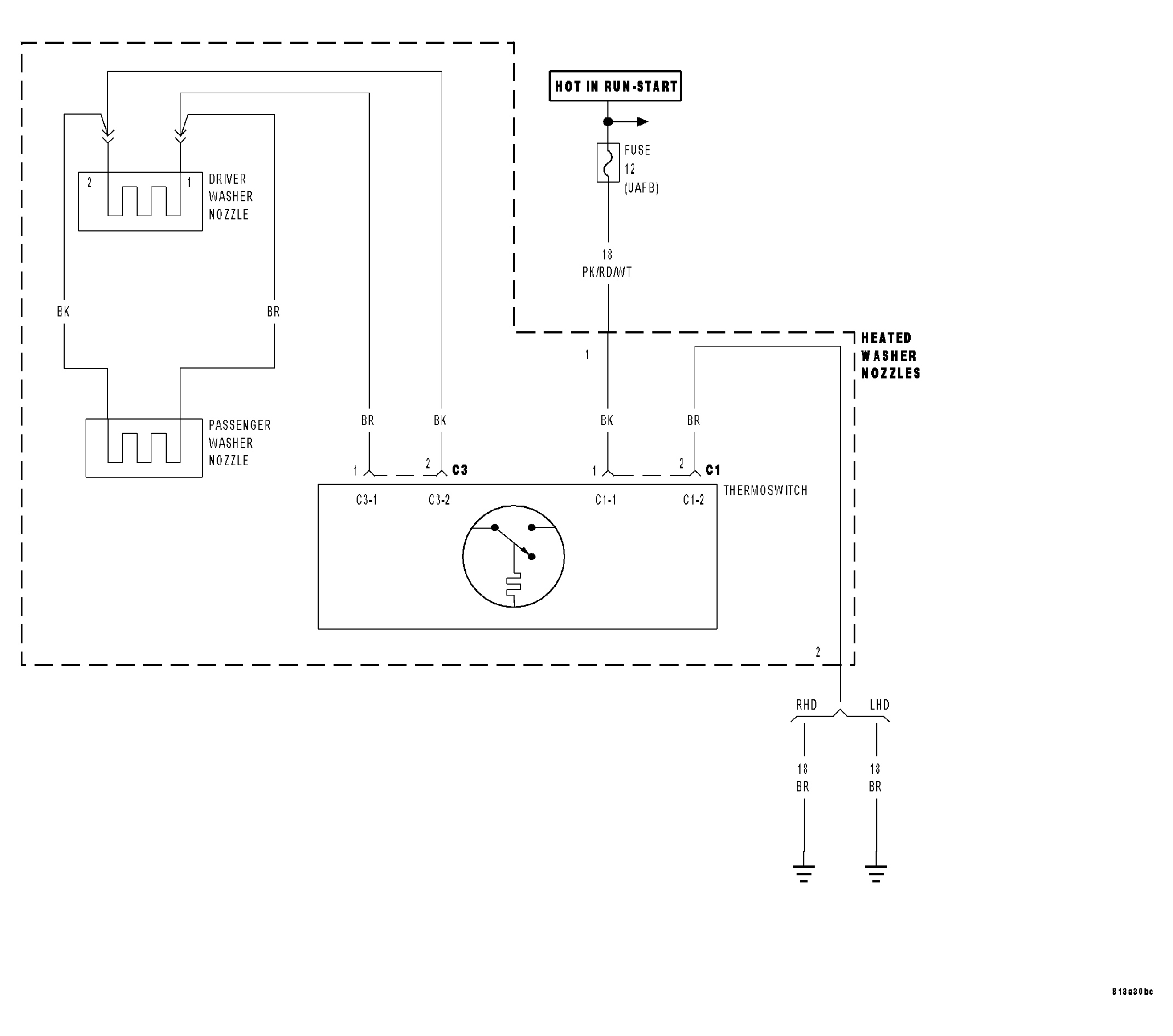
Fig 2: Heated Washer Nozzles Circuit Schematic
GC0035768Courtesy of CHRYSLER LLC