LEMON Manuals: Even more car manuals for everyone: 1960-2025
Home >> Chrysler >> 2007 >> Crossfire Base, 2D Convertible >> Repair and Diagnosis (Single Page) >> Brakes >> Traction Control >> Anti-Lock Brake System - Electrical Diagnostics >> DTC Troubleshooting >> DTC 1190: Yaw Rate/Acceleration Sensor Invalid Calibration Values >> Notes
April 5, 2026: LEMON Manuals is launched! Read the announcement.

DTC 1190: Yaw Rate/Acceleration Sensor Invalid Calibration Values: Notes

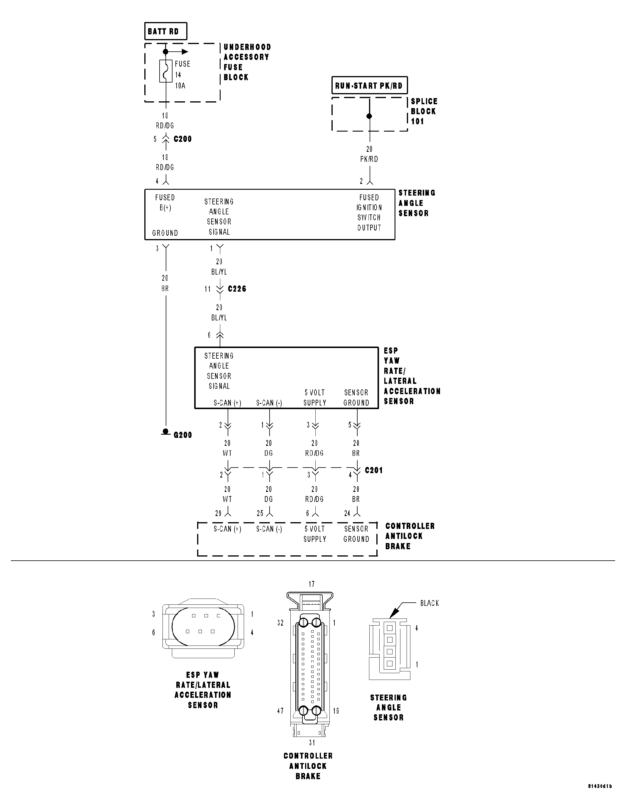
Fig 1: Steering Angle Sensor Circuit Schematic
GC0033809Courtesy of CHRYSLER LLC
  1. When Monitored: With the ignition on. The Controller Antilock Brake (CAB) monitors the status of the ESP Yaw Rate/Lateral Acceleration Sensor.
  2. Set Condition: The Controller Antilock Brake (CAB) will set this DTC if the ESP Yaw Rate/Lateral Acceleration Sensor sends an Invalid Calibration Value status to the CAB.
Possible Causes 
ESP YAW RATE/LATERAL ACCELERATION SENSOR

For a complete Antilock Brake System (ABS) circuit diagram, see SCHEMATICS AND DIAGRAMS .