LEMON Manuals: Even more car manuals for everyone: 1960-2025
Home >> Chrysler >> 2007 >> Sebring Base, 2.4 K >> Repair and Diagnosis (Single Page) >> Accessories & Equipment >> Communication Devices >> Electronic Control Modules - Electrical Diagnostics >> DTC Troubleshooting >> *No Response From Pcm (Powertrain Control Module) (GPEC) >> Circuit Schematic
April 5, 2026: LEMON Manuals is launched! Read the announcement.

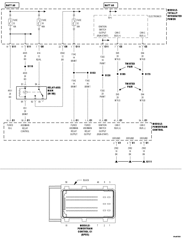
Circuit Schematic

Fig 1: Powertrain Control Module Circuit Schematic
GC0058913Courtesy of CHRYSLER LLC