LEMON Manuals: Even more car manuals for everyone: 1960-2025
Home >> Chrysler >> 2008 >> Pacifica V6-3.8L >> Repair and Diagnosis >> Diagrams >> Connector Views >> Control Assembly, HVAC >> Switch-Control-A/C-Heater-Rear
April 5, 2026: LEMON Manuals is launched! Read the announcement.

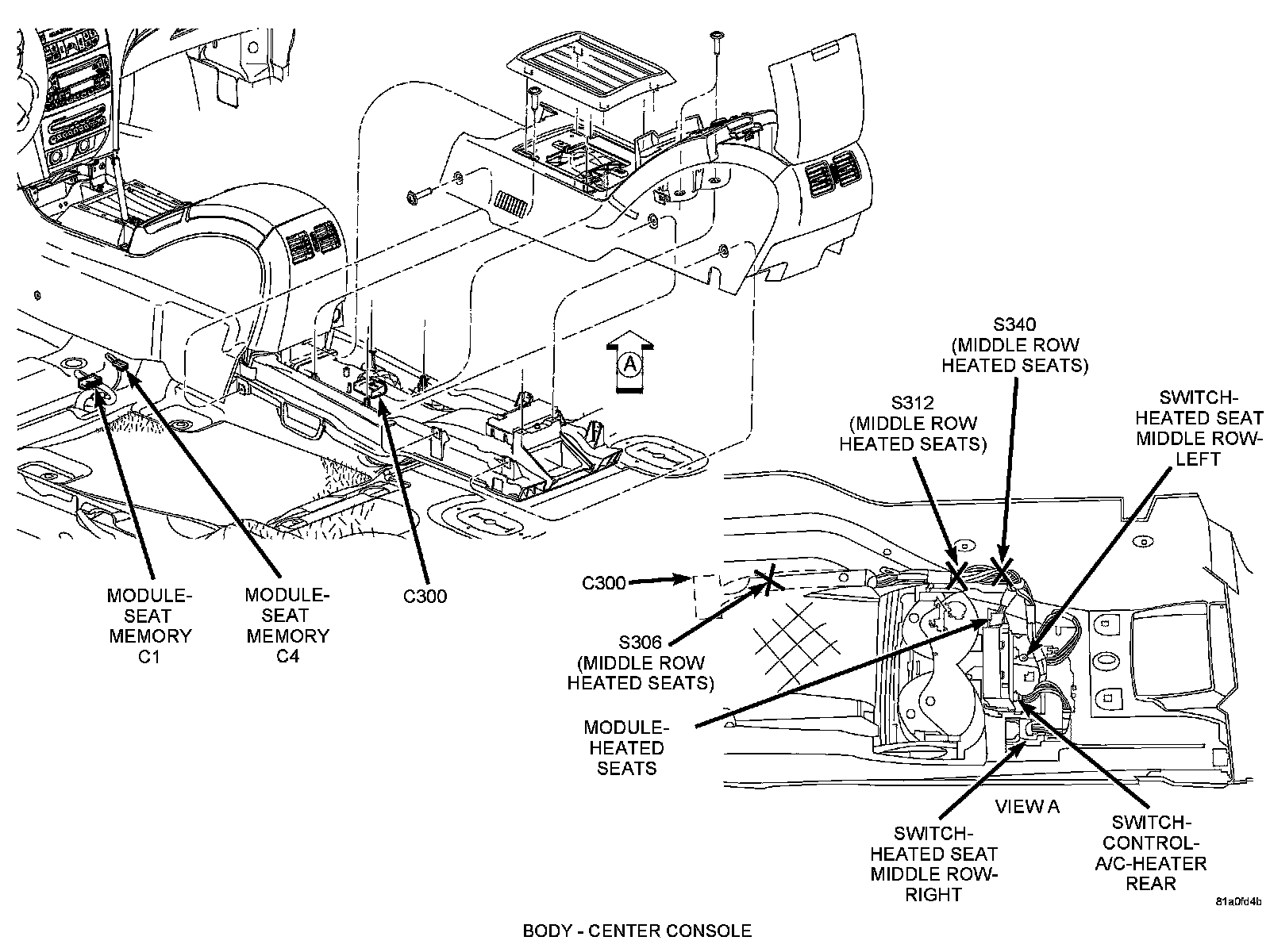
Switch-Control-A/C-Heater-Rear




Component ID: 391
Component : SWITCH-CONTROL-A/C-HEATER-REAR

Connector:
Name : SWITCH-CONTROL-A/C-HEATER-REAR
Color : BLACK
# of pins : 6




Pin Circuit Description
1 E12 20OR/GY PANEL LAMPS DRIVER
2 C31 20LB/YL REAR FAN SENSE
3 C11 22LB/OR REAR FAN SENSE SUPPLY
4 G21 22VT/WT REAR FAN ON INDICATOR DRIVER
5 Z870 20BK/YL GROUND
6 C931 20DB/TN REAR FAN SENSE RETURN

Component Location - 24