LEMON Manuals: Even more car manuals for everyone: 1960-2025
Home >> Chrysler >> 2009 >> 300 V8-5.7L >> Repair and Diagnosis >> Application and ID >> Body Code Plate
April 5, 2026: LEMON Manuals is launched! Read the announcement.

Body Code Plate






DESCRIPTION

LOCATION AND DECODING




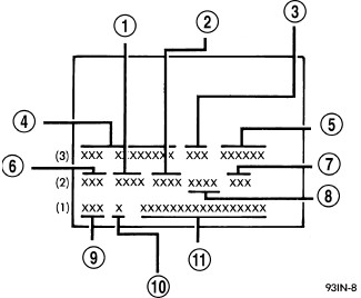
BODY CODE PLATE





The Body Code Plate is located in the engine compartment on the front right side shock tower mounting front panel.

BODY CODE PLATE LINE 3





There are seven lines of information on the body code plate. Lines 4, 5, 6, and 7 are not used to define service information. Information reads from left to right, starting with line 3 in the center of the plate to line 1 at the bottom of the plate.

DIGITS 1, 2, AND 3

Paint procedure

DIGIT 4

Open Space

DIGITS 5 THROUGH 7

Primary Paint

DIGIT 8 AND 9

Open Space

DIGITS 10 THROUGH 12

Secondary Paint

DIGIT 13 AND 14

Open Space

DIGITS 15 THROUGH 18

Interior Trim Code

DIGIT 19

Open Space

DIGITS 20, 21, AND 22

Engine Code

- EER = 2.7 L, V-6 Cylinder, 24 Valve, DOHC, Gasoline, Aluminum Block (MPI)
- EGG = 3.5 L, V -6 Cylinder, 24 Valve, High Output, Gasoline, Aluminum Block (MPI)
- ESF = 6.1 L, V-8 Cylinder, HEMI, Gasoline (SMPI)
- EZD = 5.7 L, V-8 Cylinder, HEMI, Multi-Displacement, Gasoline,

DIGIT 23

Open Space

BODY CODE PLATE - LINE 2

DIGITS 1 THROUGH 12

Vehicle Order Number

DIGITS 13, THROUGH 15

Vinyl Roof Code

DIGITS 16 AND 17

Open space

DIGITS 18 AND 19

Vehicle Shell Line

- LX

DIGITS 20

Carline

- C = Chrysler
- D = Dodge

DIGIT 21

Price Class

- E = Economy
- H = High Line
- L = Low Line
- M = Medium
- P = Premium
- S = Sport
- X = Special

DIGITS 22 AND 23

Body Type

- 48 = Four Door Sedan Tall
- 49 =Hatchback Tall

BODY CODE PLATE LINE 1

DIGITS 1, 2, AND 3

Transmission Codes

- DG6 = 4-Speed Electronic Automatic Transmission
- DGJ = 5-Speed Automatic Transmission

DIGIT 4

Open Space

DIGIT 5

Market Code

- C = Canada
- B = International
- M = Mexico
- U = United States

DIGIT 6

Open Space

DIGITS 7 THROUGH 23

Vehicle Identification Number

- Vehicle Identification Number for proper breakdown of VIN code.

IF TWO BODY CODE PLATES ARE REQUIRED

The last code shown on either plate will be followed by END. When two plates are required, the last code space on the first plate will indicate (CTD)

When a second plate is required, the first four spaces of each line will not be used due to overlap of the plates.