LEMON Manuals: Even more car manuals for everyone: 1960-2025
Home >> Chrysler >> 2009 >> Sebring Base, 2D Convertible, ED3 >> Repair and Diagnosis >> Engine Performance >> System >> DTCS P2123 To P2307 - GPEC >> P2181-Cooling System Performance >> Notes
April 5, 2026: LEMON Manuals is launched! Read the announcement.

P2181-Cooling System Performance: Notes

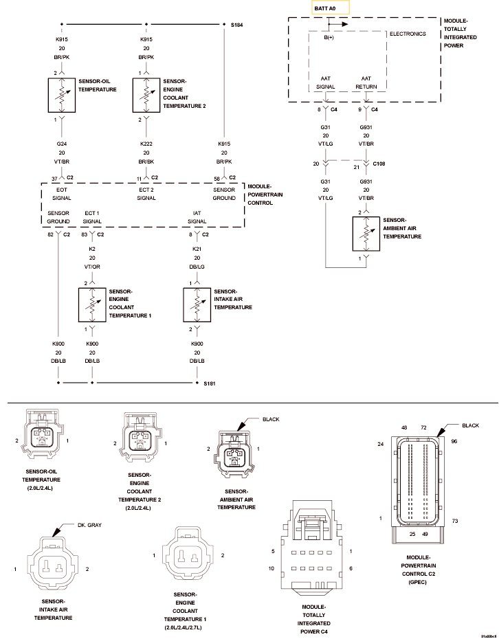
Fig 1: Engine Coolant Temperature Sensor Circuit
GC0123816Courtesy of CHRYSLER LLC