LEMON Manuals: Even more car manuals for everyone: 1960-2025
Home >> Chrysler >> 2009 >> Sebring Base, 2D Convertible, ED3 >> Repair and Diagnosis >> Engine Performance >> System >> DTCS P2123 To P2307 - GPEC >> P2257-Secondary Air Injection System Control 1 Circuit Low >> Notes
April 5, 2026: LEMON Manuals is launched! Read the announcement.

P2257-Secondary Air Injection System Control 1 Circuit Low: Notes

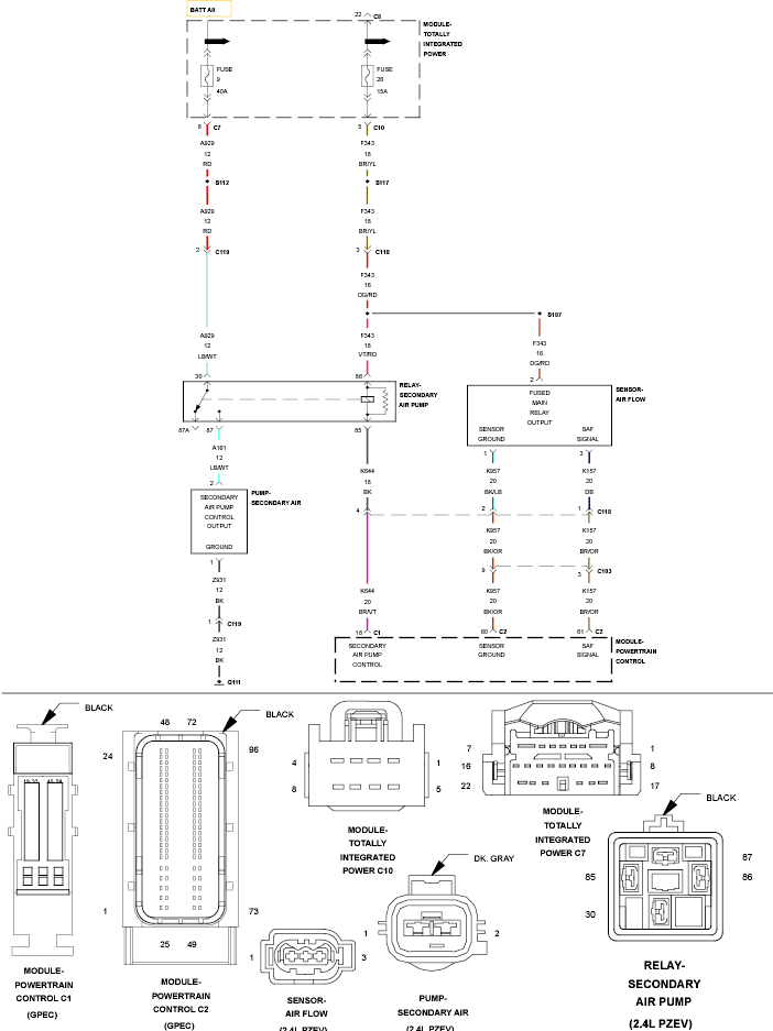
Fig 1: Secondary Air Injection System Control Circuit
GC0123830Courtesy of CHRYSLER LLC