LEMON Manuals: Even more car manuals for everyone: 1960-2025
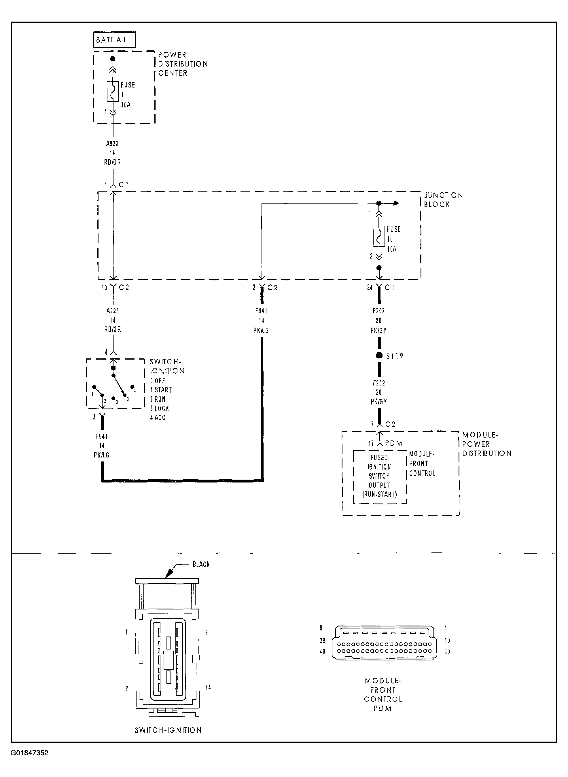
Home >> Dodge and Ram >> 2004 >> Durango 3.7 K >> Repair and Diagnosis >> Engine Performance >> Ignition System >> Ignition Control >> Ignition System - Electrical Diagnostics >> B2100-Ignition Run/Start Input Circuit Performance >> Circuit Schematic
April 5, 2026: LEMON Manuals is launched! Read the announcement.

Circuit Schematic

Fig 1: B2100 Schematic Diagram
G01847352Courtesy of DAIMLERCHRYSLER CORP.