LEMON Manuals: Even more car manuals for everyone: 1960-2025
Home >> Dodge and Ram >> 2007 >> Caliber R/T, AWD >> Repair and Diagnosis >> Engine Performance >> System >> DTC U1418, Intermittent Condition & System Checks, Component Tests, Symptom Tests, Pcm/ECM Programming, Pre-Diagnostic Troubleshooting Procedure, Pcm Verification Test >> *Checking The Ignition Coil Operation >> Circuit Schematic
April 5, 2026: LEMON Manuals is launched! Read the announcement.

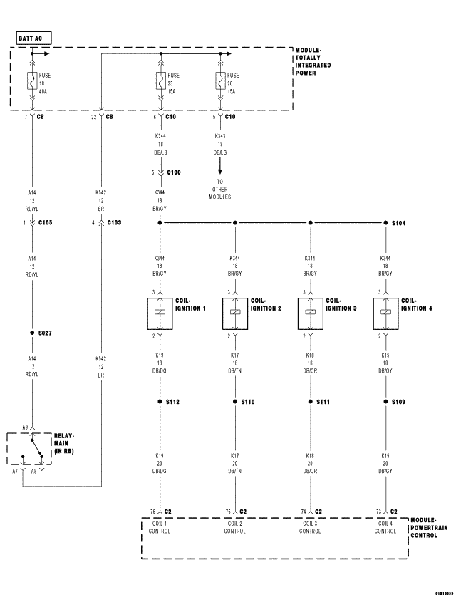
Circuit Schematic

Fig 1: Ignition Coil Circuit Schematic
GC0053907Courtesy of CHRYSLER LLC