LEMON Manuals: Even more car manuals for everyone: 1960-2025
Home >> Dodge and Ram >> 2009 >> Durango Base, 3.7 K >> Repair and Diagnosis >> Accessories & Equipment >> Memory Modules >> (Front Control Module (FCM) - Electrical Diagnostics) >> DTC Troubleshooting >> B2313-Wiper On/Off Control Circuit Low >> Wiring Diagram
April 5, 2026: LEMON Manuals is launched! Read the announcement.

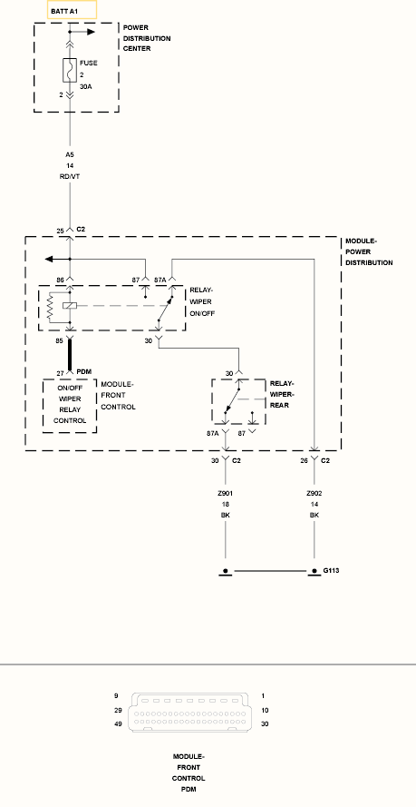
B2313-Wiper On/Off Control Circuit Low: Wiring Diagram

Fig 1: Wiper On/Off Control Circuit
GC0106223Courtesy of CHRYSLER LLC

For complete wiring diagrams, refer to SYSTEM WIRING DIAGRAMS .