LEMON Manuals: Even more car manuals for everyone: 1960-2025
Home >> Dodge and Ram >> 2009 >> Durango Base, 3.7 K >> Repair and Diagnosis >> Accessories & Equipment >> Memory Modules >> (Front Control Module (FCM) - Electrical Diagnostics) >> DTC Troubleshooting >> P0693-Cooling Fan 2 Relay Control Circuit Low >> Wiring Diagram
April 5, 2026: LEMON Manuals is launched! Read the announcement.

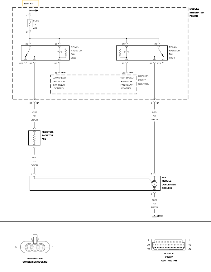
P0693-Cooling Fan 2 Relay Control Circuit Low: Wiring Diagram

Fig 1: Cooling Fan 2 Relay Control Circuit
GC0106279Courtesy of CHRYSLER LLC

For complete wiring diagrams, refer to SYSTEM WIRING DIAGRAMS .