LEMON Manuals: Even more car manuals for everyone: 1960-2025
Home >> Ford >> 1986 >> Taurus L4-153 2.5L HSC >> Repair and Diagnosis >> Powertrain Management >> Computers and Control Systems >> Integrated Control Relay Module >> Diagrams >> Electrical Diagrams >> Integrated Controller Schematic
April 5, 2026: LEMON Manuals is launched! Read the announcement.

Integrated Controller Schematic

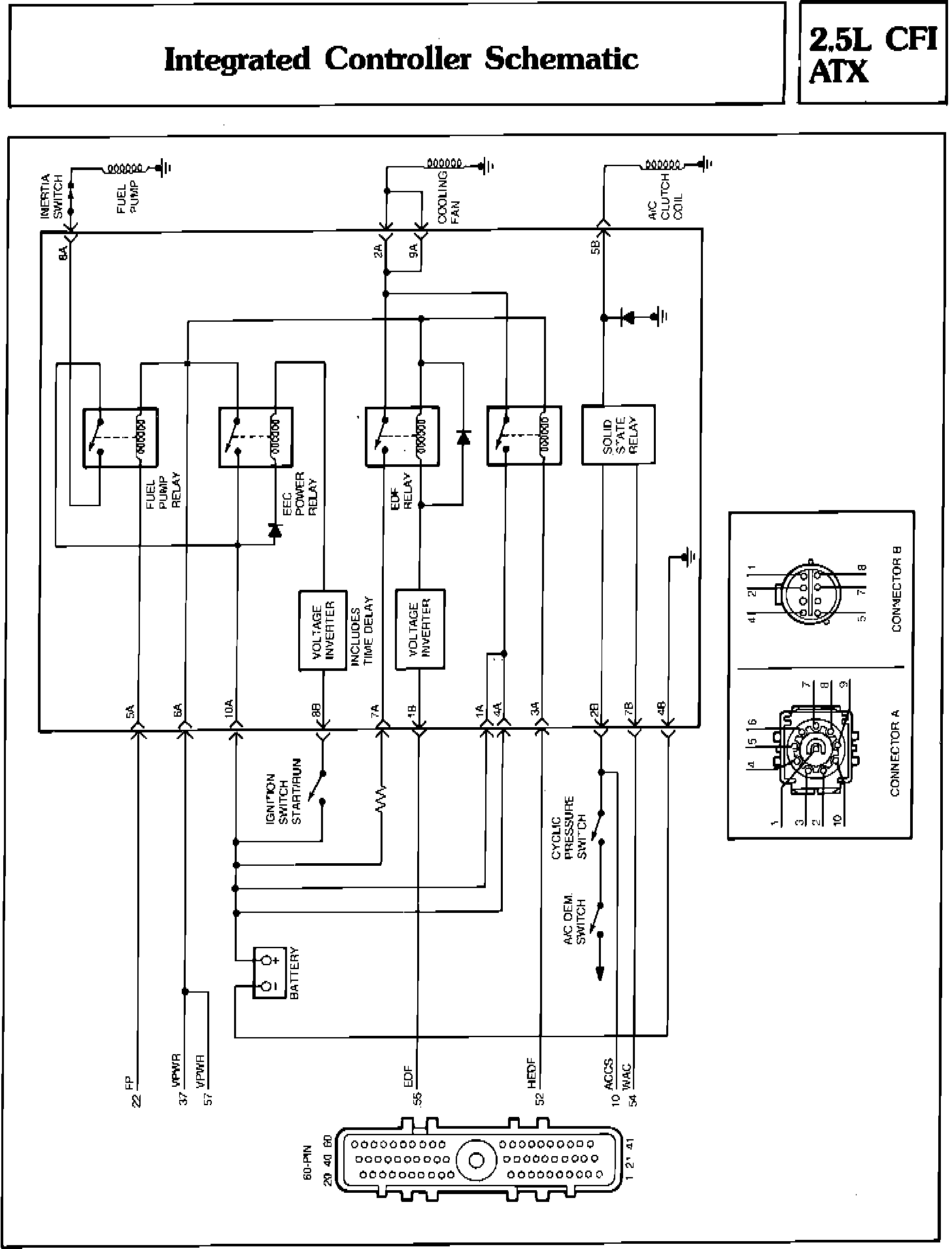
Wiring Schematic - Integrated Controller With CFI & A/T:



Pin Usage - Integrated Controller With CFI & A/T:



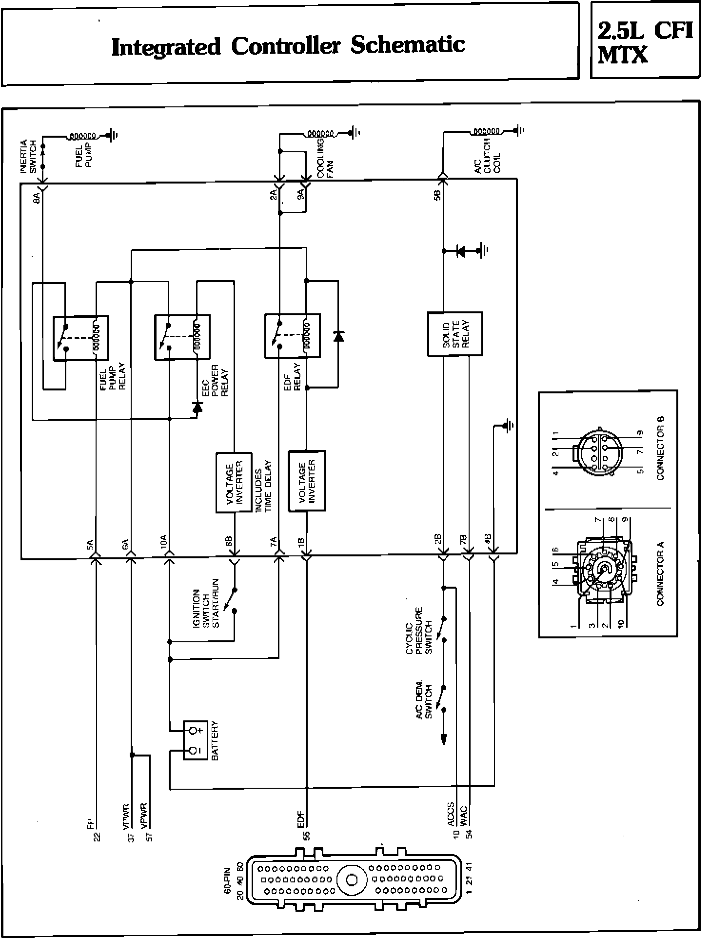
Wiring Schematic - Integrated Controller W/CFI & MTX:



Pin Usage - Integrated Controller W/CFI & MTX: