LEMON Manuals: Even more car manuals for everyone: 1960-2025
Home >> Ford >> 1987 >> Taurus V6-182 3.0L >> Repair and Diagnosis >> Diagrams >> Connector Views >> Cooling System >> Radiator Cooling Fan Control Module
April 5, 2026: LEMON Manuals is launched! Read the announcement.

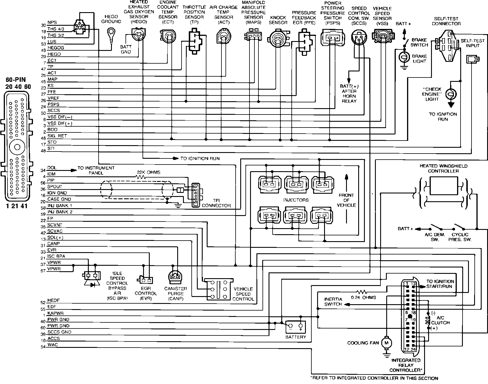
Radiator Cooling Fan Control Module

Wiring Schematic - EEC-IV System:





Pin Usage - EEC-IV Module Connector:





The Electronic Control Assembly (ECA) is the Cooling Fan Control Module.