Using Continuous Monitor Mode
If a code pattern is displayed:
- Lightly tap on sensor.
- Push/pull on sensor harness connector. DO NOT disconnect connector at this time.
- Shake harness vigorously, working from sensor harness connector toward dash panel and from dash panel to PRC control module in short sections.
- If there is no positive sign of an intermittent, disconnect sensor from harness. Inspect harness at both ends for corrosion, bad crimps and improperly seated terminals. Reconnect after inspection.
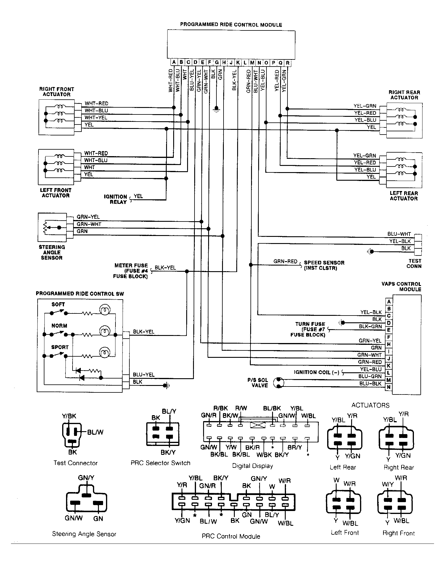
- Disconnect PRC control module and inspect terminals. Remove only terminals associated with sensor being inspected. See Figure.
- If VOM DOES NOT give a positive intermittent indication, reconnect all terminals and connectors.