LEMON Manuals: Even more car manuals for everyone: 1960-2025
Home >> Ford >> 1989 >> Taurus V6-232 3.8L >> Repair and Diagnosis >> Diagrams >> Connector Views >> Radiator Cooling Fan Control Module
April 5, 2026: LEMON Manuals is launched! Read the announcement.

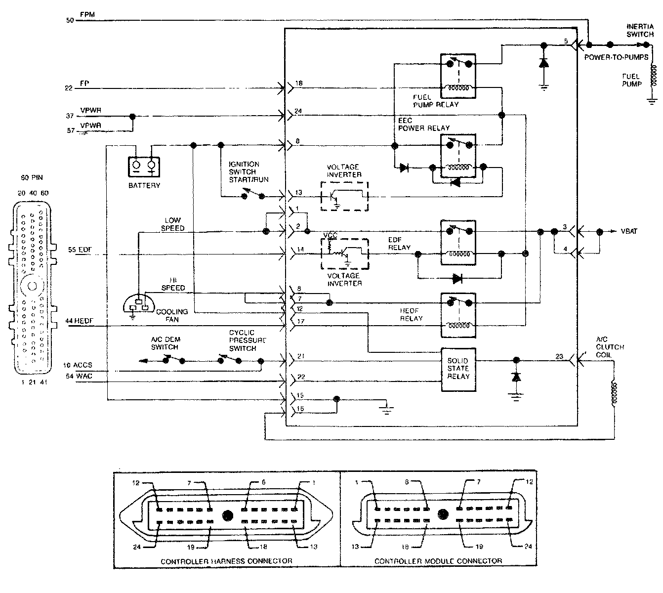
Radiator Cooling Fan Control Module

Integrated Relay Controller Module (IRCM) Schematic:



Integrated Relay Controller Module (IRCM) Pin Usage: