LEMON Manuals: Even more car manuals for everyone: 1960-2025
Home >> Ford >> 1991 >> Taurus V6-232 3.8L >> Repair and Diagnosis >> Diagrams >> Connector Views >> Integrated Control Relay Module
April 5, 2026: LEMON Manuals is launched! Read the announcement.

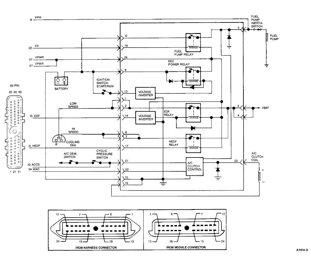
Integrated Control Relay Module




Integral Relay Control Module (IRCM)

IRCM (3.8L):






IRCM (3.8L) Pin Usage:






The Integral Relay Control Module (IRCM) interfaces with the EEC-IV processor to provide control of the cooling fan, A/C clutch, and the fuel pump.