LEMON Manuals: Even more car manuals for everyone: 1960-2025
Home >> Ford >> 1993 >> Taurus V6-232 3.8L >> Repair and Diagnosis >> Powertrain Management >> Computers and Control Systems >> Relays and Modules - Computers and Control Systems >> Integrated Control Relay Module >> Diagrams >> Connector Views
April 5, 2026: LEMON Manuals is launched! Read the announcement.

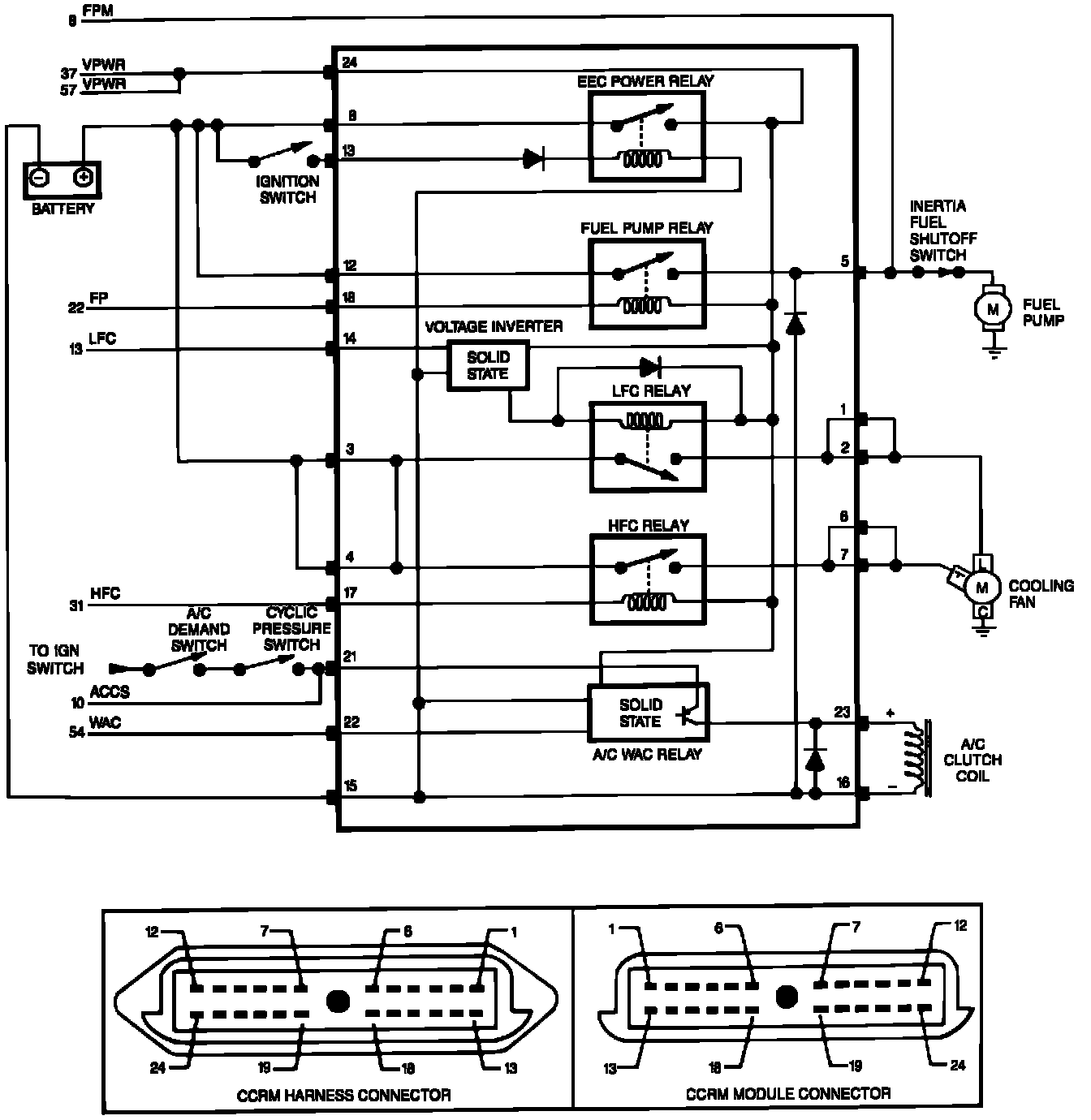
Connector Views

Constant Control Relay Module (CCRM) Schematic:



Constant Control Relay Module (CCRM) Pin Usage: