LEMON Manuals: Even more car manuals for everyone: 1960-2025
Home >> Ford >> 1996 >> Taurus V6-182 3.0L >> Repair and Diagnosis >> Diagrams >> Exploded Views >> Steering Column >> With Console Shift
April 5, 2026: LEMON Manuals is launched! Read the announcement.

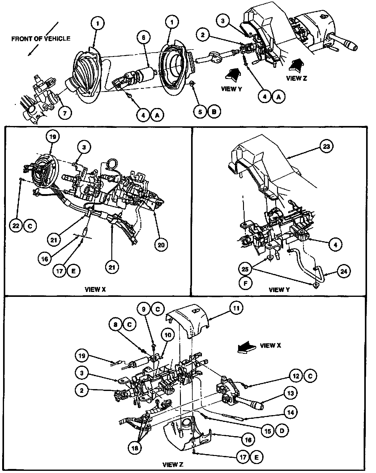
With Console Shift






Steering Column (Part 1 Of 2):




Steering Column (Part 2 Of 2):