LEMON Manuals: Even more car manuals for everyone: 1960-2025
Home >> Ford >> 1996 >> Taurus V6-182 3.0L >> Repair and Diagnosis >> Powertrain Management >> Computers and Control Systems >> Testing and Inspection >> Pinpoint Tests >> HU - Intake Air System >> Test Notes
April 5, 2026: LEMON Manuals is launched! Read the announcement.

Test Notes

You should enter this Pinpoint Test only when directed here.

This Pinpoint Test is intended to diagnose the following:
- Throttle Body Assembly
- Speed Control Cable
- Accelerator Cable Linkage to Throttle Body
- Air Cleaner Assembly (including air filter)
- Air Inlet Tube
- Clean Air Tube (Hose) and Resonator
- Intake Manifold Runner Control (IMRC) Housing Assembly
- IMRC Actuator Assembly
- Harness Circuits: IMRC, IMRC Monitor, SIG RTN, PWR GND, VPWR
- Powertrain Control Module (PCM)


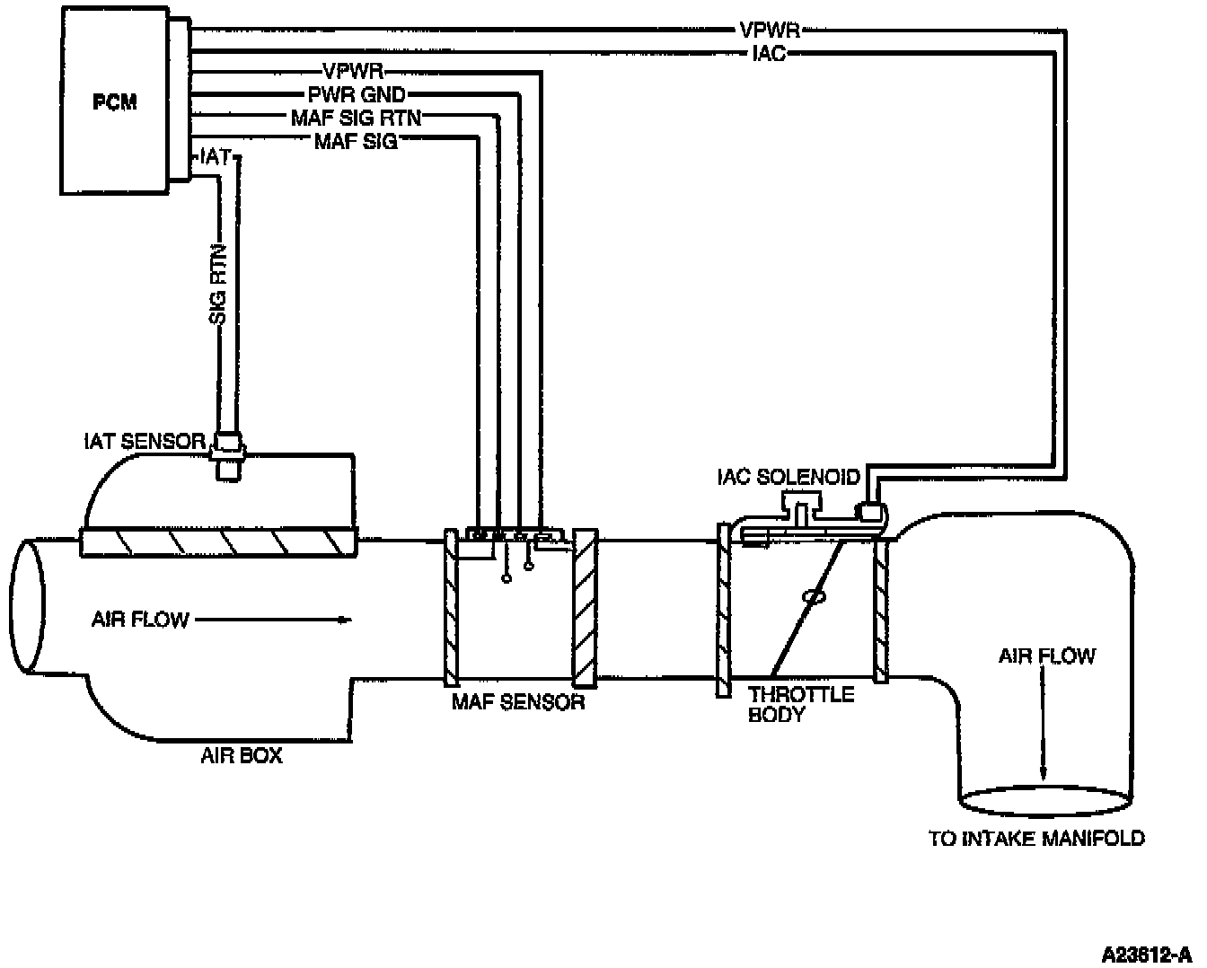
DESCRIPTION

Air Intake System Components:






For additional information on Air Intake System, refer to Powertrain Management / Fuel Delivery and Air Induction