LEMON Manuals: Even more car manuals for everyone: 1960-2025
Home >> Ford >> 1997 >> Windstar Base, 3.8 4 >> Repair and Diagnosis >> Engine Performance >> System >> Engine Controls - Tests W/Codes - 3.8L >> Circuit Tests >> Circuit Test X - Constant Control Relay Module (CCRM) >> Diagnostic Aids
April 5, 2026: LEMON Manuals is launched! Read the announcement.

Diagnostic Aids

CCRM interfaces with the EEC-V system to provide control for cooling fan and A/C clutch. CCRM also contains EEC-V power relay, which provides battery power (VPWR) to the Powertrain Control Module (PCM) and EEC-V system. Perform this test only when instructed by QUICK TEST or if directed by a CIRCUIT TEST. This test is only intended to diagnose the following:

To prevent replacing good components, be aware the following non-EEC related components or systems may be at fault:

Fig 1: Identifying CCRM Connector Terminals
G94D31693
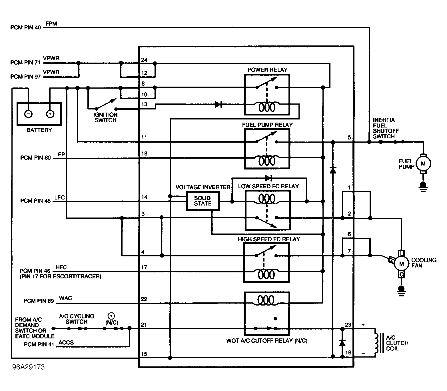
Fig 2: CCRM Circuits
G96A29173
  1. 1) Check VPWR Circuit Continuity  Turn ignition off. Disconnect IAC and CCRM wiring harness connectors. Disconnect scan tester from Data Link Connector (DLC), if applicable. Measure resistance between VPWR terminal of IAC wiring harness connector and terminals No. 12 and 24 of CCRM wiring harness connector. If both resistances are less than 5 ohms, reconnect IAC and go to next step. If either resistance is 5 ohms or more, repair open in VPWR circuit and repeat QUICK TEST.
  2. 2) Check B(+) & IGN START/RUN Voltage To CCRM  Turn ignition off. Leave CCRM disconnected. Measure voltage between negative battery terminal and CCRM wiring harness connector terminals No. 8 and No. 10. Turn ignition on. Measure voltage between negative battery terminal and CCRM wiring harness connector terminal No. 13. If all voltages are 10.5 volts or more, go to next step. If any voltage is less than 10.5 volts, repair open in circuit and repeat QUICK TEST.
  3. 3) Check CCRM Ground Circuit  Turn ignition off. Leave CCRM disconnected. Measure voltage between CCRM wiring harness connector terminals No. 8 and 15. If voltage is 10.5 volts or more, replace CCRM. If voltage is less than 10.5 volts, repair open in ground circuit (terminal No. 15).
    NOTE: A break in step numbering sequence occurs at this point. Procedure skips from step 3) to step 15). No test procedures have been omitted.
  4. 15) DTC P1479: Check High Fan Control (HFC) Relay  DTC P1479 indicates HFC primary circuit failure. Following are possible causes for this fault.
    • Open or shorted circuit.
    • Faulty CCRM.
    • Faulty Powertrain Control Module (PCM).

    Turn ignition off. Disconnect CCRM wiring harness connector. Measure resistance between terminal No. 17 and 24 at CCRM wiring harness connector. Resistance should be 65-100 ohms. Measure resistance between terminal No. 17 and terminals No. 1 through 11, 13, 15 and 21 at CCRM wiring harness connector. Resistance should be more than 1000 ohms. If resistance is as specified, go to next step. If resistance is not as specified, replace CCRM and repeat QUICK TEST.

  5. 16) Check HFC Circuit Continuity  Turn ignition off. Disconnect CCRM and PCM wiring harness connector. Inspect wiring, and repair if damaged. Install EEC-V Breakout Box (014-00950), leaving PCM disconnected. Measure resistance between test pin No. 46 at breakout box and terminal No. 17 at CCRM wiring harness connector. If resistance is less than 5 ohms, go to next step. If resistance is 5 ohms or more, repair open in HFC circuit and repeat QUICK TEST.
  6. 17) Check HFC Circuit For Short To Power  Leave CCRM and PCM disconnected. Turn ignition on. Measure voltage between negative battery terminal and test pin No. 46 at breakout box. If voltage is less than one volt, turn ignition off and go to next step. If voltage is one volt or more, repair short to power and repeat QUICK TEST.
  7. 18) Check HFC Circuit For Shorts To Ground  Turn ignition off. Leave CCRM and PCM disconnected. Disconnect scan tester from DLC, if applicable. Measure resistance between test pin No. 46 at breakout box and test pins No. 51, 91 (SIG RTN) and 103 (PWR GND) at breakout box. If each measurement is more than 10,000 ohms, replace PCM and repeat QUICK TEST. If any measurement is less than 10,000 ohms, repair HFC circuit short to ground and repeat QUICK TEST.
    NOTE: A break in step numbering sequence occurs at this point. Procedure skips from step 18) to step 20). No test procedures have been omitted.
  8. 20) DTC P1474: Check Fan Operation  This code indicates primary circuit failure in Low Fan Control (LFC) circuit or Fan Control (FC) circuit for single cooling fan systems. Following are possible causes for this fault.
    • Open or shorted circuit.
    • Faulty CCRM.
    • Faulty Powertrain Control Module (PCM).

    Turn ignition on. If cooling fan runs continuously, go to step 24). If cooling fan does not run continuously, go to next step.

  9. 21) Check FC/LFC Circuit For Short To Ground  Leave ignition off and CCRM wiring harness connector disconnected. Disconnect scan tester from DLC, if applicable. Disconnect PCM wiring harness connector. Inspect wiring, and repair if damaged. Install EEC-V Breakout Box (014-00950), leaving PCM disconnected. Measure resistance between test pin No. 45 at breakout box and test pins No. 51, 91 and 103 at breakout box. If resistance is 10,000 ohms or more, go to next step. If resistance is less than 10,000 ohms, repair short to ground in FC or LFC circuit and repeat QUICK TEST.
  10. 22) Check Fan Operation  Turn ignition off. Connect CCRM. Leave PCM disconnected. Turn ignition on. If cooling fan runs continuously, replace PCM and repeat QUICK TEST. If cooling fan does not run continuously, replace CCRM and repeat QUICK TEST.
    NOTE: A break in step numbering sequence occurs at this point. Procedure skips from step 22) to step 24). No test procedures have been omitted.
  11. 24) Check FC/LFC Circuit Continuity  Disconnect CCRM wiring harness connector. Disconnect PCM wiring harness connector. Inspect wiring, and repair if damaged. Install EEC-V Breakout Box (014-00950), leaving PCM disconnected. Measure resistance between test pin No. 45 at breakout box and test pin No. 14 at CCRM wiring harness connector. If resistance is less than 5 ohms, go to next step. If resistance is 5 ohms or more, repair open in FC or LFC circuit and repeat QUICK TEST.
  12. 25) Check FC/LFC Circuit For Short To Power  Turn ignition on. Measure voltage between negative terminal and test pin No. 45 at breakout box. If voltage is less than one volt, go to next step. If voltage is one volt or more, repair short to power in FC or LFC circuit.
  13. 26) FC/LFC Circuit Fault Isolation Check  Turn ignition off. Reconnect CCRM wiring harness connector. Connect jumper wire as follows:
    • Between test pin No. 45 (LC/LFC) and 77 (PWR GND) at breakout box.

    If cooling fan runs continuously, replace CCRM and repeat QUICK TEST. If cooling fan does not run continuously, replace PCM and repeat QUICK TEST.

    NOTE: A break in step numbering sequence occurs at this point. Procedure skips from step 26) to step 30). No test procedures have been omitted.
  14. 30) Continuous Memory Code P1474: Check FC/LFC Circuit For Open Circuit Or Short To Power  A Continuous Memory Code P1474 indicates that circuit failure has occurred on Low Fan Control (LFC) circuit. If Code P1474 is present, turn ignition off. Disconnect cooling fan wiring harness connector. Inspect wiring, and repair if damaged. Connect a non-powered test light between cooling fan wiring harness power circuit and ground. Turn ignition on. Test light should be off. Check for indication of fault (test light blinks or comes on) while performing one of following:
    • Shake and bend FC/LFC circuits between CCRM and PCM.
    • Lightly tap CCRM to simulate road shock.

    Turn ignition off. If fault is indicated, isolate and repair as necessary. Repeat QUICK TEST. If fault is not indicated, go to next step.

  15. 31) Check LFC/FC Circuit For Short To Ground  Leave cooling fan wiring harness connector disconnected. Leave scan tester and test light connected. Turn ignition on. Access Output Test Mode on scan tester. Command Low Speed Fan On. Test light should be on. Check for indication of fault (test light blinks or goes off) while performing one of following:
    • Shake and bend FC/LFC circuits between CCRM and PCM.
    • Lightly tap CCRM to simulate road shock.

    Turn ignition off. If fault is indicated, isolate and repair as necessary. Repeat QUICK TEST. If fault is not indicated, problem is intermittent and cannot be duplicated at this time.

    NOTE: A break in step numbering sequence occurs at this point. Procedure skips from step 31) to step 35). No test procedures have been omitted.
  16. 35) Code P1479  A Continuous Memory Code P1479 indicates that High Fan Control (HFC) circuit failure has occurred. Turn ignition off. Leave scan tester connected to DLC. Disconnect cooling fan wiring harness connector. Inspect wiring, and repair if damaged. Connect a non-powered test light between ground and Power-To-High Speed Fan circuit at cooling fan wiring harness connector. Turn ignition on. Access Output Test Mode on scan tester. Command High Speed Fan On. Test light should be on. Check for indication of fault (test light blinks or goes off) while performing one of following:
    • Shake and bend HFC circuit between CCRM and PCM.
    • Lightly tap CCRM to simulate road shock.

    Turn ignition off. If fault is indicated, isolate and repair as necessary. Repeat QUICK TEST. If fault is not indicated, go to next step.

  17. 36) Check HFC Circuit For Short To Ground  Leave cooling fan wiring harness connector disconnected. Leave scan tester and test light connected. Turn ignition on. Command High Speed Fan Off. Test light should be off. Check for indication of fault (test light blinks or comes on) while performing the following:
    • Shake and bend HFC circuit between CCRM and PCM.
    • Lightly tap CCRM to simulate road shock.

    Turn ignition off. If fault is indicated, isolate and repair as necessary. Repeat QUICK TEST. If fault is not indicated, problem is intermittent and cannot be duplicated or identified at this time.

    NOTE: A break in step numbering sequence occurs at this point. Procedure skips from step 36) to step 40). No test procedures have been omitted.
  18. 40) Check Cooling Fan Operation  During operational check of both fan speeds, if fan did not operate at any speed, stay in Output Test Mode and go to next step. If fan operated at one fan speed, go to step 50).
  19. 41) Cooling Fan Does Not Operate At Any Speed  Turn ignition on. Disconnect cooling fan motor. Command fan on (high speed for 2-speed applications). Measure voltage between chassis ground and Power-To-High Speed Fan circuit terminal at cooling fan wiring harness connector. If voltage is 10 volts or less, go to next step. If voltage is more than 10 volts, go to step 45).
  20. 42) Check B + Circuit To Fan Relays  Turn ignition off. Ensure cooling fan is disconnected. Disconnect CCRM. Connect voltmeter negative probe to negative battery terminal. Connect voltmeter positive probe to terminals No. 3 and 4 of CCRM harness connector. If each reading is more than 10 volts, go to next step. If any reading is 10 volts or less, fault exists in B + circuit. Check cooling fan related fuse/fuse links. If fuse/fuse link is blown, check for short to ground in B + circuit. Repair as necessary. If fuse/fuse link is okay, check for open B + circuit. Repair as necessary, reconnect all components and recheck system operation.
  21. 43) Check Power To Fan(s) Circuit  Turn ignition off. Ensure CCRM and cooling fan is disconnected. Perform appropriate procedure:

    Measure resistance of Power-To-High fan circuit between cooling fan wiring harness connector and terminal No. 6 at CCRM wiring harness connector. Also, measure resistance of Power-To-Low Speed Fan circuit between cooling fan wiring harness connector and terminal No. 2 of CCRM.

    If each reading is less than 7 ohms, replace CCRM. If any reading is 7 ohms or more, locate and repair open circuit(s) between cooling fan motor and CCRM. After repair is completed, reconnect all components and recheck system operation.

    NOTE: A break in step numbering sequence occurs at this point. Procedure skips from step 43) to step 45). No test procedures have been omitted.
  22. 45) Check Cooling Fan Ground Circuit  Turn ignition off. Ensure cooling fan is disconnected. Disconnect scan tester from Data Link Connector (DLC). Measure resistance between negative battery terminal and ground circuit terminal at cooling fan wiring harness connector. If resistance is 5 ohms or more, locate and repair open ground circuit. Reconnect all components and recheck system operation. If resistance is less than 5 ohms, replace cooling fan motor.
    NOTE: A break in step numbering sequence occurs at this point. Procedure skips from step 45) to step 50). No test procedures have been omitted.
  23. 50) Determine Which Fan Speed Is Operational  If low speed fan is functioning properly, but high speed fan is inoperative, go to step 65). If low speed fan is not functioning properly, go to next step (all others).
  24. 51) Low Speed Cooling Fan Inoperative  Turn ignition on. Remain in Output Test Mode. Disconnect cooling fan. Command Low Speed Fan On. Measure voltage between ground circuit terminal and Power-To-Low Speed Fan circuit terminal at cooling fan wiring harness connector. If voltage is more than 10 volts, replace fan motor. Reconnect all components and recheck system operation. If voltage is 10 volts or less, go to next step.
  25. 52) Check Power-To-Low Fan Circuit Continuity  Turn ignition off. Disconnect CCRM. Measure resistance between Power-To-Low Speed Fan circuit terminal at cooling fan wiring harness connector and terminals No. 1 and 2 at CCRM wiring harness connector. If resistance is less than 5 ohms, replace go to next step. If resistance is 5 ohms or more, locate and repair open in Power-To-Fan circuit. Reconnect all components and recheck system operation.
  26. 53) FC/LFC Circuit Fault Check  Turn ignition off. Reconnect CCRM and cooling fan wiring harness connector. Connect scan tester to DLC. Disconnect PCM wiring harness connector. Inspect wiring, and repair if damaged. Install EEC-V Breakout Box (014-00950). Connect PCM to breakout box. Turn ignition on and proceed as follows while noting voltage:
    • Measure voltage between test pin No. 45 (LC/LFC) and 77 (PWR GND) at breakout box.

    Using scan tester access Output Test Mode. Command low speed fan on. Repeat voltage check and note voltage. If voltage changes more than 6 volts on second voltage check, replace CCRM, replace CCRM and repeat QUICK TEST. If voltage does not change more than 6 volts on second voltage check, go to step 20).

    NOTE: A break in step numbering sequence occurs at this point. Procedure skips from step 53) to step 65). No test procedures have been omitted.
  27. 65) High Speed Cooling Fan Inoperative  With scan tester still connected to Data Link Connector (DLC) and scan tester still in Output Test Mode, disconnect cooling fan. Turn ignition on. Command High Speed Cooling Fan On. Measure resistance between negative battery terminal and Power-To-High Speed Fan circuit terminal at cooling fan wiring harness connector. If voltage is 10.5 volts or less, go to next step. If voltage is more than 10.5 volts, replace fan motor. Reconnect all components and recheck system operation.
  28. 66) Check Power-To-Fan Circuit Resistance  Turn ignition off. Disconnect CCRM. Measure resistance between terminal No. 6 of CCRM wiring harness connector and cooling fan wiring harness connector. If resistance is less than 5 ohms, go to step 70). If resistance is 5 ohms or more, locate and repair open in Power-To-High Speed Fan circuit. Reconnect all components and recheck system operation.
    NOTE: A break in step numbering sequence occurs at this point. Procedure skips from step 66) to step 70). No test procedures have been omitted.
  29. 70) High Speed Fan Circuit Check  Turn ignition off. Reconnect CCRM and cooling fan wiring harness connector. Connect scan tester to DLC. Disconnect PCM wiring harness connector. Inspect wiring, and repair if damaged. Install EEC-V Breakout Box (014-00950). Connect PCM to breakout box. Turn ignition on and proceed as follows while noting voltage:
    • Measure voltage between test pin No. 46 (HFC) and 77 (PWR GND) at breakout box.

    Using scan tester access Output Test Mode. Command high speed fan on. Repeat voltage check and note voltage. If voltage changes more than 6 volts on second voltage check, replace CCRM, replace CCRM and repeat QUICK TEST. If voltage does not change more than 6 volts on second voltage check, go to step 15).

    NOTE: A break in step numbering sequence occurs at this point. Procedure skips from step 70) to step 80). No test procedures have been omitted.
  30. 80) Cooling Fan Always Runs  Turn all accessories off. Turn ignition on. Verify that cooling fan is always on. Turn ignition off. Disconnect CCRM. Turn ignition on. If cooling fan is off, replace CCRM. Reconnect all components and recheck system operation. If cooling fan is still on, go to next step.
  31. 81) Check For Short To Power  Disconnect cooling fan. Measure voltage between ground and Power-To-Low Speed Fan circuit, and Power-To-High Speed Fan circuit at cooling fan motor wiring harness connector. If both readings are less than one volt, problem is intermittent and cannot be duplicated at this time. If any reading is one volt or more, locate and repair short to power in Power-To-Low Fan circuit or Power-To-High Speed Fan circuit. Reconnect all components and recheck system operation.
    NOTE: A break in step numbering sequence occurs at this point. Procedure skips from step 81) to step 85). No test procedures have been omitted.
  32. 85) One Cooling Fan Inoperative  Turn ignition off. Disconnect both cooling fans. Using scan tester, access Output Test Mode on scan tester. Command High Speed Fan On. Measure voltage between ground terminal and Power-To-Fan terminal at inoperative cooling fan motor wiring harness connector. If voltage is 10.5 volts or less, remain in Output Test Mode and go to next step. If voltage is more than 10.5 volts, replace inoperative cooling fan motor. Reconnect all components and recheck system operation.
  33. 86) Check Power-To-Fan Circuit  Measure voltage between negative battery terminal and Power-To-Fan terminal at inoperative cooling fan motor wiring harness connector. If voltage is more than 10.5 volts, locate and repair open ground circuit. Reconnect all components and recheck system operation. If voltage is 10.5 volts or less, locate and repair open in Power-To-Fan circuit. Reconnect all components and recheck system operation.
    NOTE: A break in step numbering sequence occurs at this point. Procedure skips from step 86) to step 100). No test procedures have been omitted.
  34. 100) Check For Voltage To Cyclic Pressure Switch  Disconnect A/C cycling switch. Turn ignition on. Turn A/C switch on. Measure voltage between A/C demand switch (or EATC module) side of A/C cycling switch wiring harness connector and negative battery terminal. If 10.5 volts or more are present, go to next step. If less than 10.5 volts are present, EEC-V system is okay. Fault is in A/C system.
  35. 101) Check A/C Cycling Switch Contacts  Turn ignition off. Measure resistance between A/C cycling connector terminal. If resistance is less than 5 ohms, go to next step. If resistance is 5 ohms or more, EEC-V system is okay. Fault is in A/C system.
  36. 102) Check For Voltage To A/C Pressure Switch (ACPSW)  Turn ignition off. Reconnect A/C cycling switch. Disconnect ACPSW. Turn ignition on. Turn A/C switch on. Measure voltage between A/C demand switch terminal of ACPSW wiring harness connector and negative battery terminal. See Fig 3. If 10.5 volts or more are present, go to next step. If less than 10.5 volts are present, repair open circuit between ACPSW and A/C cycling switch.
    Fig 3: Checking ACPSW Circuit Voltage
    G96E29177
  37. 103) Check Resistance Of ACPSW High Pressure Contacts  Turn ignition off. Leave ACPSW disconnected. Measure resistance between ACPSW high pressure contacts. See Fig 4. If resistance is less than 5 ohms, go to next step. If resistance is 5 ohms or more, check for overcharged A/C system. If system charge is okay, replace ACPSW.
    Fig 4: Checking ACPSW High Pressure Contact Resistance
    G96F29178
  38. 104) Check Voltage To PCM On ACCS Circuit  Turn ignition off. Reconnect ACPSW. Disconnect PCM wiring harness connector. Inspect wiring, and repair if damaged. Install EEC-V Breakout Box (014-00950), leaving PCM disconnected. Turn ignition on. Turn A/C switch on. Measure voltage between breakout box test pins No. 41 (ACCS) and No. 77 (PWR GND). If voltage is 10.5 volts or more, replace PCM and repeat QUICK TEST. If voltage is less than 10.5 volts, repair open circuit between ACPSW and PCM.
  39. 105) KOEO/KOER DTC P1460  This code indicates that a fault occurred in Wide Open Throttle A/C Cut-Out (WAC) circuit. Following are possible causes for this fault.
    • A/C on during Self-Test.
    • Open or shorted circuit.
    • Faulty CCRM.
    • Faulty Powertrain Control Module (PCM).

    Turn A/C and defroster off. Leave scan tester connected to DLC. Start engine and allow to idle. Using scan tester, access ACCS PID. If ACCS PID is off, go to next step. If ACCS PID is on, go to step 125).

  40. 106)  Turn ignition off. Disconnect CCRM wiring harness connector. Measure resistance between terminal No. 22 and 24 at CCRM wiring harness connector. Resistance should be 130-200 ohms. Measure resistance between terminal No. 22 and terminals No. 1 through 11, 13, 15 and 21 at CCRM wiring harness connector. Resistance should be more than 1000 ohms. If resistance is as specified, go to next step. If resistance is not as specified, replace CCRM and repeat QUICK TEST.
  41. 107) WAC Circuit For Short To Power  Turn ignition off. Disconnect CCRM. Disconnect PCM wiring harness connector. Inspect wiring, and repair if damaged. Install EEC-V Breakout Box (014-00950), leaving PCM disconnected. Turn ignition on. Measure voltage between breakout box test pin No. 69 (WAC) and test pins No. 51 and No. 103 (PWR GND). If voltage is less than one volt, go to next step. If voltage is one volt or more, repair WAC circuit short to power.
  42. 108) Check WAC Circuit For Short To Ground  Turn ignition off. Leave CCRM and PCM disconnected. Disconnect scan tool from DLC. Measure resistance between breakout box test pin No. 69 (WAC) and test pins No. 51, 103 (PWR GND) and 91 (SIG RTN). If each resistance measurement is more than 10,000 ohms, go to next step. If any resistance measurement is 10,000 ohms or less, repair WAC circuit short to ground and repeat QUICK TEST.
  43. 109) Check WAC Circuit Resistance  Turn ignition off. Leave CCRM and PCM disconnected. Disconnect scan tester from DLC (if applicable). Measure resistance between test pin No. 69 (WAC) at breakout box and test pin No. 22 at CCRM wiring harness connector. If resistance is less than 5 ohms, go to next step. If resistance 5 ohms or more, repair open in WAC circuit and repeat QUICK TEST.
  44. 110) No A/C Operation  Turn ignition on. Turn A/C demand switch on. Measure voltage between CCRM wiring harness connector terminals No. 15 and 21. If voltage is more than 10.5 volts, go to next step. If voltage is 10.5 volts or less, repair open in A/C demand circuit between CCRM and ACCS splice to PCM and re-evaluate symptom.
  45. 111) Check Circuit Continuity  Turn ignition off. Leave CCRM disconnected. Disconnect scan tester from DLC (if applicable). Disconnect A/C clutch. Measure resistance between CCRM wiring harness connector terminal No. 16 and ground side of A/C clutch wiring harness connector. Measure resistance between CCRM wiring harness connector terminal No. 23 and power side of A/C clutch wiring harness connector. If either resistance is less than 5 ohms, replace CCRM and re-evaluate symptom. If either resistance 5 ohms or more, repair open circuit and re-evaluate symptom.
    NOTE: A break in step numbering sequence occurs at this point. Procedure skips from step 111) to step 115). No test procedures have been omitted.
  46. 115) Continuous Memory DTC P1469: Excessive A/C Compressor Clutch Cycling  This DTC indicates ACCS input to PCM has changed states in less than 8.5 second intervals. Possible causes are as follows:
    • A/C system mechanical fault such as low refrigerant charge or damaged A/C cycling switch.
    • Intermittent open circuit between EATC module and PCM terminal No. 41 (ACCS).

    Check A/C system for mechanical fault such as low refrigerant charge or damaged A/C cycling switch. See A/C-HEATER SYSTEM article in the AIR CONDITIONING & HEAT section. If fault is indicated, isolate and repair as necessary. Repeat QUICK TEST. If fault is not indicated, go to next step.

  47. 116) Check Circuit Between ETAC Module & PCM  Turn ignition off. Connect scan tester to DLC. Turn ignition on. Using scan tester, access ACCS PID. Turn A/C switch on. Check for indication of fault while performing one of following:
    • Shake and bend ACCS circuits between ETAC module and PCM.
    • Lightly tap A/C cycling switch to simulate road shock.

    Fault will be indicated by ACCS PID turning on and off. If fault is indicated, isolate and repair as necessary. Repeat QUICK TEST. If fault is not indicated, problem is intermittent and cannot be duplicated at this time.

    NOTE: A break in step numbering sequence occurs at this point. Procedure skips from step 116) to step 120). No test procedures have been omitted.
  48. 120) Continuous Memory DTC P1460: Intermittent WAC Circuit Failure  DTC P1460 indicates an open or short in Wide Open Throttle A/C Cut-Out (WAC) circuit.
    NOTE: Disregard DTC P1460 if vehicle is not equipped with A/C.

    Turn ignition off. Connect scan tester to DLC. Disconnect A/C cyclic pressure switch. Connect switch terminals using a jumper wire. Turn ignition on. Turn A/C demand switch on. Check circuit integrity by shaking and bending WAC wiring harness while listening to A/C clutch. If a fault is located in the circuit, the A/C clutch will cycle on or off. Check CCRM by tapping lightly to simulate road shock. If a fault is located, isolate and repair as necessary. If fault is not located, problem cannot be duplicated or identified at this time.

    NOTE: A break in step numbering sequence occurs at this point. Procedure skips from step 120) to step 124). No test procedures have been omitted.
  49. 124) DTC P1464: Check ACCS PID  Turn ignition off. Connect scan tester to DLC. Turn ignition on. Using scan tester, access ACCS PID. If ACCS is on, go to next step. If ACCS is off, indication is A/C and defrost switch were on during self-test. Turn A/C, defrost switch and all accessories off. Repeat QUICK TEST.
  50. 125) ACCS PID On  Turn ignition off. Disconnect A/C cycling switch. Connect scan tester to DLC. Turn ignition on. Using scan tester, access ACCS PID. If ACCS PID does not go off, go to next step. If ACCS PID goes off, check A/C switch and repair or replace as necessary. If A/C switch is okay, repair short to power in A/C demand circuit to A/C cycling switch.
  51. 126) Check A/C Clutch Circuit For Short To Power  Leave CCRM disconnected. Turn ignition on. Measure voltage between CCRM wiring harness connector terminal No. 23 and negative battery terminal. If voltage is less than one volt, go to next step. If voltage is one volt or more, repair circuit short to power and re-evaluate symptom.
  52. 127) Check ACCS Circuit For Short To Power  Turn ignition off. Leave A/C cycling switch and CCRM disconnected. Disconnect PCM wiring harness connector. Inspect wiring, and repair if damaged. Install EEC-V Breakout Box (014-00950), leaving PCM disconnected. Turn ignition on. Measure voltage at breakout box test pin No. 41 (ACCS) and test pins No. 51 and 103 (PWR GND). If voltage is less than one volt, go to next step. If voltage is one volt or more, repair circuit short to power and re-evaluate symptom.
  53. 128) Check ACCS Circuit Voltage To PCM  Turn ignition off. Leave A/C cycling switch and PCM disconnected. Reconnect CCRM. Turn ignition on. Measure voltage between breakout box test pin No. 41 (ACCS) and test pins No. 51 and 103 (PWR GND). If voltage is less than one volt, replace PCM and re-evaluate symptom. If voltage is one volt or more, replace CCRM and re-evaluate symptom.
    NOTE: A break in step numbering sequence occurs at this point. Procedure skips from step 128) to step 130). No test procedures have been omitted.
  54. 130) No WAC & No DTCs  Turn ignition off. Ensure A/C clutch and CCRM are connected. Connect scan tester to DLC. Turn ignition on. Using scan tester, access Output Test Mode. Turn A/C demand switch on. While observing A/C clutch engagement, command outputs on and off several times. If A/C clutch engagement cycles, fault is intermittent. Go to CIRCUIT TEST Z . If A/C clutch does not cycles, replace CCRM and re-evaluate symptom.
    NOTE: A break in step numbering sequence occurs at this point. Procedure skips from step 130) to step 150). No test procedures have been omitted.
  55. 150) KOEO & KOER DTC P0230  This code indicates fuel pump primary circuit failure. Following are possible causes for this fault:
    • Open or shorted FP circuit.
    • Faulty CCRM.
    • Faulty PCM.

    Turn ignition off. Disconnect CCRM wiring harness connector. Measure resistance between terminal No. 18 and 24 at CCRM wiring harness connector. Resistance should be 65-120 ohms. Measure resistance between terminal No. 18 and terminals No. 1 through 11, 13, 15 and 21 at CCRM wiring harness connector. Measure resistance between terminal No. 18 and CCRM housing. Resistance should be 1000 ohms or more.

    If resistance is as specified, go to next step. If resistance is not as specified, replace CCRM and repeat QUICK TEST.

  56. 151) Check Fuel Pump Circuit For Short To Power  Turn ignition off. Disconnect PCM wiring harness connector. Inspect connector terminals and repair if damaged. Turn ignition on. Measure voltage between negative battery terminal and terminal No. 18 at CCRM wiring harness connector. If voltage is less than one volt, go to next step. If voltage is one volt or more, repair circuit short to power and repeat QUICK TEST.
  57. 152) Check Fuel Pump Circuit For Shorts To Ground  Turn ignition off. Leave CCRM and PCM disconnected. Disconnect scan tester from DLC, if applicable. Measure resistance between negative battery terminal and CCRM connector terminal No. 18. If resistance is more than 10,000 ohms, go to next step. If resistance is 10,000 ohms or less, repair short to ground and repeat QUICK TEST.
  58. 153) Check FP Circuit Continuity  Turn ignition off. Leave CCRM and PCM disconnected. Inspect wiring, and repair if damaged. Install EEC-V Breakout Box (014-00950), leaving PCM disconnected. Measure resistance between breakout box test pin No. 80 (FP) and CCRM connector terminal No. 18. If resistance measurement is 5 ohms or more, repair open circuit and repeat QUICK TEST. If resistance is less than 5 ohms and DTC P0230, P0231 or P0232 is present, go to next step. If resistance is less than 5 ohms and DTC P0230, P0231 or P0232 is not present, replace PCM and repeat QUICK TEST.
    NOTE: The FPA PID detects FP circuit voltage. If FPA PID is ON, circuit is grounded. If FPA PID is OFF, circuit is open. The FPF PID detects faults in FP circuit. If FPF PID is indicates NO, no faults are detected. If FPF PID indicates YES, a fault has been detected.
  59. 154) Check PCM  Ensure scan tester is connected to DLC. Turn ignition on. Using scan tester, access FPA PID or FPF PID. Crank engine while viewing FPA PID or FPF PID. If FPA PID is OFF (or FPF PID indicates YES), replace PCM and repeat QUICK TEST.

    If FPA PID is ON or (FPF PID indicates NO), while engine is cranking, and DTC P0231 is present, go to step 180). If FPA PID is on while engine is cranking, and DTC P0232 is present, go to step 170).

    NOTE: A break in step numbering sequence occurs at this point. Procedure skips from step 154) to step 160). No test procedures have been omitted.
  60. 160) DTC P1232: Check For Power To Fuel Pump Relay  Turn ignition off. Disconnect low speed fuel pump relay. Turn ignition on. Measure voltage between chassis ground and VPWR circuit at low speed fuel pump relay wiring harness connector. If voltage is 10.5 volts or more, go to next step. If voltage is less than 10.5 volts, repair open in VPWR circuit between EEC-V power relay and low speed fuel pump relay and repeat QUICK TEST.
  61. 161) Check Low Speed Fuel Pump Relay  Turn ignition off. Leave low speed fuel pump relay disconnected. Terminal numbers are molded on relay. Measure resistance as follows:
    • Between terminals No. 85 and 86 at low speed fuel pump relay.

    Replace low speed fuel pump relay if resistance is not 40-85 ohms. If resistance is okay, measure resistance as follows:

    • Between terminal No. 85 and terminals No. 30 and 87 at low speed fuel pump relay.

    Replace low speed fuel pump relay if resistance is not 10,000 ohms. If resistance is okay, go to next step.

  62. 162) Check Low Speed Fuel Pump Circuit  Leave ignition off and low speed fuel pump relay disconnected. Disconnect PCM wiring harness connector. Inspect pins for damage and repair as necessary. Install EEC-V Breakout Box (014-000950), leaving PCM disconnected. Turn ignition on. Measure voltage between test pin No. 79 (LFP) and chassis ground. If voltage is one volt or less, go to next step. If voltage is more than one volt, repair circuit short to power and repeat QUICK TEST.
  63. 163)  Leave ignition off and low speed fuel pump relay disconnected. Disconnect scan tester from Data Link Connector (DLC). Measure resistance between test pin No. 79 and test pins No. 51, 91 and 103. If each resistance measurement is more than 10,000 ohms, go to next step. If any resistance measurement is 10,000 ohms or less, repair short circuit and repeat QUICK TEST.
  64. 164)  Leave ignition off and low speed fuel pump relay disconnected. Measure resistance between Low Speed Fuel Pump terminal at low speed fuel pump relay wiring harness connector and test pin No. 79 at breakout box. If resistance is less than 5 ohms, replace PCM and repeat QUICK TEST. If resistance is 5 ohms or more, repair open circuit and repeat QUICK TEST.
    NOTE: A break in step numbering sequence occurs at this point. Procedure skips from step 164) to step 170). No test procedures have been omitted.
  65. 170) KOEO & KOER DTC P0232  If engine starts, go to next step. If engine does not start, go to step 175). For Continuous Memory DTC P0232, go to step 190).
  66. 171) Check Fuel Pump  Turn ignition on. Listen for operational noise from fuel pump. If fuel pump can be heard, go to next step. If fuel pump cannot be heard, go to step 173).
  67. 172) Check Fuel Pump Relay  Turn ignition off. Disconnect CCRM. Turn ignition on. Listen for operational noise from fuel pump. If fuel pump does not operate, replace CCRM and repeat QUICK TEST. If fuel pump does operate, repair POWER-TO-PUMP or FPM circuit short to power and repeat QUICK TEST.
  68. 173) Check FPM Circuit  Turn ignition off. Leave CCRM pump relay disconnected. Disconnect PCM wiring harness connector. Inspect pins for damage and repair as necessary. Install EEC-V Breakout Box (014-000950), leaving PCM disconnected. Measure resistance between test pin No. 40 at breakout box and terminal No. 5 at CCRM connector. If resistance is less than 7 ohms, go to next step. If resistance is 7 ohms or more, repair open circuit and repeat QUICK TEST.
  69. 174) Check PCM Fuel Pump Circuit  Leave ignition off. Remove breakout box. Reconnect CCRM and PCM. Connect scan tester to DLC. Turn ignition on. Using scan tester, access FPM PID. If scan tester indicates OFF, fuel pump primary circuit is okay and testing is complete. If scan tester does not indicate OFF, replace PCM and repeat QUICK TEST.
  70. 175) Check IFS Switch  Turn ignition off. Locate IFS switch in trunk near left hinge. Measure resistance between terminals "C" and NC of IFS switch. If resistance is less than 5 ohms, go to next step. If resistance is 5 ohms or more, reset or replace IFS switch and repeat QUICK TEST.
  71. 176)  Leave ignition off and IFS switch disconnected. Disconnect CCRM. Measure resistance between POWER-TO-PUMP terminal at IFS switch connector and terminal No. 5 at CCRM connector. If resistance is less than 7 ohms, reconnect CCRM and go to next step. If resistance is 7 ohms or more, repair open circuit and repeat QUICK TEST.
  72. 177) Check Fuel Pump Ground Circuit  Leave ignition off and IFS switch disconnected. Disconnect fuel pump. Measure resistance between fuel pump motor ground circuit at connector and chassis ground. If resistance is less than 5 ohms, go to next step. If resistance is 5 ohms or more, repair open in fuel pump motor ground circuit and repeat QUICK TEST.
  73. 178)  Leave ignition off, fuel pump and IFS switch disconnected. Measure resistance between POWER-TO-PUMP terminal at fuel pump connector and POWER-TO-PUMP terminal at IFS connector. If resistance is less than 5 ohms, go to next step. If resistance is 5 ohms or more, repair open in POWER-TO-PUMP circuit and repeat QUICK TEST.
  74. 179)  Leave ignition off, fuel pump and IFS switch disconnected. Measure resistance between fuel pump motor terminals. If resistance is less than 10 ohms, fuel pump circuits are okay and testing is complete. If resistance is 10 ohms or more, replace fuel pump and repeat QUICK TEST.
  75. 180) KOEO & KOER DTC P0231  If engine will start, replace PCM. If engine will not start, go to next step.
  76. 181) Check For Power To Fuel Pump Relay  Turn ignition off. Disconnect CCRM wiring harness connector. Measure voltage between CCRM wiring harness connector terminal No. 11 and negative battery terminal. If voltage is 10.5 volts or more, go to next step. If voltage is less than 10.5 volts, repair open in B+ circuit to CCRM and repeat QUICK TEST.
  77. 182) Check Power-To-Pump Circuit Continuity  Leave ignition off and CCRM disconnected. Measure resistance between CCRM wiring harness connector terminal No. 5 and negative battery terminal. If resistance is less than 12 ohms, replace CCRM and re-evaluate symptom. If resistance is 12 ohms or more, repair open in POWER-TO-PUMP circuit between CCRM and FPM splice and repeat QUICK TEST.
  78. 183) Isolate Open In POWER-TO-PUMP Circuit  Leave ignition off. Disconnect low speed fuel pump relay. Measure resistance of POWER-TO-PUMP circuit between CCRM wiring harness connector terminal No. 5 and low speed fuel pump relay connector. If resistance is less than 5 ohms, repair open in POWER-TO-PUMP circuit between low speed fuel pump relay and FPM splice. If resistance is 5 ohms or more, repair open in POWER-TO-PUMP circuit between low speed fuel pump relay and the CCRM.
    NOTE: A break in step numbering sequence occurs at this point. Procedure skips from step 183) to step 185). No test procedures have been omitted.
  79. 185) Check POWER-TO-PUMP Circuit  Leave ignition off. Disconnect scan tester from DLC. Disconnect low speed fuel pump relay. Measure resistance between chassis ground and POWER-TO-PUMP circuit through resistor at low speed fuel pump relay. If resistance is less than 12 ohms, replace PCM and repeat QUICK TEST. If resistance is 12 ohms or more, check resistor. If resistor is okay, repair open in POWER-TO-PUMP circuit and repeat QUICK TEST.
    NOTE: A break in step numbering sequence occurs at this point. Procedure skips from step 185) to step 190). No test procedures have been omitted.
  80. 190) Continuous Memory DTC P0232  Turn ignition off. Connect scan tester to DLC. Turn ignition on. Using scan tester, access FPM PID. Observe FPM PID for indication of fault while tapping on IFS switch. Fault will be indicated if FPM PID comes on. Check circuit integrity by shaking and bending fuel system wiring harness. If a fault is located, isolate and repair as necessary. If fault is not located, problem cannot be duplicated or identified at this time. Go to CIRCUIT TEST Z .
    NOTE: A break in step numbering sequence occurs at this point. Procedure skips from step 190) to step 195). No test procedures have been omitted.
  81. 195) Continuous Memory DTC P0231  Turn ignition off. Disconnect PCM. Install EEC-V Breakout Box (014-00950). Connect PCM. Connect jumper wire between breakout box test pin No. 77 and 80. Connect DVOM wire between breakout box test pin No. 40 and 51. Turn ignition on. Observe DVOM for indication of fault while tapping on CCRM. Fault will be indicated by sudden change of voltage. Check circuit integrity by shaking and bending fuel system wiring harness. If a fault is located, isolate and repair as necessary. If fault is not located, problem cannot be duplicated or identified at this time. Go to CIRCUIT TEST Z .
    NOTE: A break in step numbering sequence occurs at this point. Procedure skips from step 195) to step 200). No test procedures have been omitted.
  82. 200) Continuous Memory DTC P0230  Turn ignition off. Connect scan tester to DLC. Turn ignition on an wait 5 seconds. Using scan tester, access FPA PID. Observe FPA PID for indication of fault while tapping on CCRM. Fault will be indicated if FPA PID comes on. Check circuit integrity by shaking and bending fuel pump system wiring harness. Check CCRM and PCM connectors for damage or corrosion. If a fault is indicated, isolate and repair as necessary. If fault is not located, and DTC P0231 or P0232 is present, problem is intermittent fuel pump secondary circuit fault. If fault is not located, and DTC P0231 or P0232 is not present, problem cannot be duplicated or identified at this time. Go to CIRCUIT TEST Z .
    NOTE: A break in step numbering sequence occurs at this point. Procedure skips from step 200) to step 205). No test procedures have been omitted.
  83. 205) Continuous Memory DTC P1232  Turn ignition off. Connect scan tester to DLC. Turn ignition on an wait 5 seconds. Using scan tester, access LFPF PID. Observe LFPF PID for indication of fault while tapping on CCRM and low speed fuel pump relay. Fault will be indicated if LFPF PID indicates YES. Check circuit integrity by shaking and bending fuel pump system wiring harness. Check CCRM and PCM connectors for damage or corrosion. If a fault is indicated, isolate and repair as necessary. If fault is not located, problem cannot be duplicated or identified at this time. Go to CIRCUIT TEST Z .
    NOTE: A break in step numbering sequence occurs at this point. Procedure skips from step 205) to step 210). No test procedures have been omitted.
  84. 210) Hard Start Or Lack Of Power; Check Low Speed Fuel Pump Relay  Turn ignition off. Disconnect low speed fuel pump relay. Terminal numbers are molded on relay. Measure resistance between terminals No. 30 and 87A at low speed fuel pump relay. If resistance is 5 ohms or more, replace low speed fuel pump relay. If resistance is less than 5 ohms, go to next step.
  85. 211) Check POWER-TO-PUMP Circuit  Leave ignition off and low speed fuel pump relay disconnected. Measure resistance between chassis ground and POWER-TO-PUMP circuit through resistor at low speed fuel pump relay. If resistance is less than 10 ohms, no faults are present and testing is complete. If resistance is 10 ohms or more, repair open in POWER-TO-PUMP circuit and repeat QUICK TEST.