LEMON Manuals: Even more car manuals for everyone: 1960-2025
Home >> Ford >> 2000 >> Focus ZX3, Automatic >> Repair and Diagnosis >> External Pages >> Different car >> Section 775 (MULTIFUNCTION Electronic Module) >> Diagnosis And Testing >> Generic Electronic Module (GEM) >> Pinpoint Tests >> Pinpoint Test A: No Communication With The Generic Electronic Module (Gem)
April 5, 2026: LEMON Manuals is launched! Read the announcement.

Pinpoint Test A: No Communication With The Generic Electronic Module (Gem)

WARNING: This page is about a different car, the 2004 Ford Focus. However, it is still accessible from the selected car via links, so may be relevant.

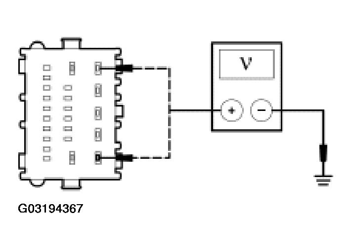
A1 CHECK CIRCUIT 29-DK20 (OG/GN) AND CIRCUIT 29-AA17 (OG/WH) FOR VOLTAGE 

Yes 

GO to A2.

No 

REPAIR the circuit in question. CLEAR the DTCs. REPEAT the self-test.

A2 CHECK GEM CIRCUIT 31-DK20 (BK) FOR OPEN 

Yes 

GO to A3.

No 

REPAIR the circuit. CLEAR the DTCs. REPEAT the self-test.

A3 CHECK GEM CIRCUIT 91-DK20 (BK/RD) FOR OPEN 

Yes 

REFER to MODULE COMMUNICATIONS NETWORK to continue communication diagnosis.

No 

REPAIR the circuit. CLEAR the DTCs. REPEAT the self-test.