LEMON Manuals
: Even more car manuals for everyone: 1960-2025
Home
>>
Ford
>>
2000
>>
ZX2 Standard
>>
Repair and Diagnosis
>>
External Pages
>>
Different car
>>
Section 1516 (Component Testing)
>>
Component Testing
>>
Seat adjust switch
>>
Schematic
April 5, 2026:
LEMON Manuals is launched!
Read the announcement.
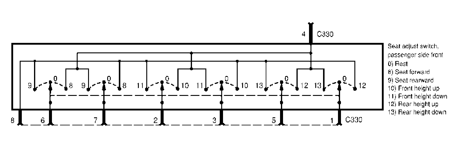
Seat adjust switch: Schematic
WARNING:
This page is about a different car, the 2006 Ford F550 Super Duty, 2006 Ford F450 Super Duty, and 2006 Ford Cab & Chassis. However, it is still accessible from the selected car via links, so may be relevant.
Fig 1: Seat Adjust Switch Schematic
Courtesy of FORD MOTOR CO.
Fig 1: Seat Adjust Switch - Schematic
Courtesy of FORD MOTOR CO.