LEMON Manuals: Even more car manuals for everyone: 1960-2025
Home >> Ford >> 2003 >> Windstar Base >> Repair and Diagnosis >> External Pages >> Different car >> Section 1271 (Cruise Control System) >> Diagnosis And Testing >> Speed Control >> Pinpoint Tests >> Pinpoint Test I: Flash Code 4 - Clutch/Neutral Switch Circuit Failure >> Pinpoint Test I: Flash Code 4 - Clutch/Neutral Switch Circuit Failure
April 5, 2026: LEMON Manuals is launched! Read the announcement.

Pinpoint Test I: Flash Code 4 - Clutch/Neutral Switch Circuit Failure

WARNING: This page is about a different car, the 2006 Mercury Mariner and 2006 Ford Escape. However, it is still accessible from the selected car via links, so may be relevant.
  1. I1 VERIFY FLASH CODE 4 
    • Key in OFF position.
    • Disconnect: Speed Control Actuator C122.
    • Key in ON position.
    • Select NEUTRAL.
    • Apply the clutch.
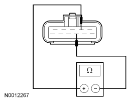
    • Measure the resistance between the speed control actuator C122-2, circuit 199 (LB/YE), harness side and ground.
      Fig 1: Measuring Resistance Between Speed Control Actuator C122-2, Circuit 199 (LB/YE), Harness Side And Ground
      G04621334Courtesy of FORD MOTOR CO.
    • Is the resistance less than 5 ohms? 

    Yes  : INSTALL a new speed control actuator. REFER to SPEED CONTROL ACTUATOR  in this article. TEST the system for normal operation.

    No  : If automatic transaxle, GO to I2.

    If manual transaxle, GO to  I4.

  2. I2 CHECK THE TRANSMISSION RANGE (TR) SENSOR 
    • Fully apply the parking brake.
    • Key in OFF position.
    • Disconnect: TR Sensor C167.
    • Select NEUTRAL.
    • Measure the resistance between the TR sensor C167-9, component side and the TR sensor C167-4, component side.
      Fig 2: Checking Transmission Range (TR) Sensor
      G04621335Courtesy of FORD MOTOR CO.
    • Is the resistance less than 5 ohms? 

    Yes  : GO to I3.

    No  : INSTALL a new TR sensor. REFER to AUTOMATIC TRANSAXLE/TRANSMISSION - CD4E A. REPEAT the self-test.

  3. I3 CHECK THE TR SENSOR GROUND CIRCUIT 
    • Select PARK.
    • Measure the resistance between the TR sensor C167-1, circuit 57 (BK), harness side and ground.
      Fig 3: Checking TR Sensor Ground Circuit
      G04621336Courtesy of FORD MOTOR CO.
    • Is the resistance less than 5 ohms? 

    Yes  : REPAIR circuit 199 (LB/YE). REPEAT the self-test.

    No  : REPAIR circuit 57 (BK). REPEAT the self-test.

  4. I4 CHECK THE CLUTCH PEDAL POSITION (CPP) SWITCH 
    • Fully apply the parking brake.
    • Key in OFF position.
    • Disconnect: CPP Switch C2070.
    • Measure the resistance between the CPP switch C2070-2, component side and the CPP switch C2070-4, component side while applying the clutch pedal.
      Fig 4: Checking Clutch Pedal Position (CPP) Switch
      G04621337Courtesy of FORD MOTOR CO.
    • Is the resistance less than 5 ohms? 

    Yes  : GO to I5.

    No  : INSTALL a new CPP switch. REFER to ELECTRONIC ENGINE CONTROLS - 2.3L . REPEAT the self-test.

  5. I5 CHECK CIRCUIT 199 (LB/YE) FOR AN OPEN 
    • Measure the resistance between the speed control actuator C122-2, circuit 199 (LB/YE), harness side and the CPP switch C2070-4, circuit 199 (LB/YE), harness side.
      Fig 5: Checking Circuit 199 (LB/YE) For An Open
      G04621338Courtesy of FORD MOTOR CO.
    • Is the resistance less than 5 ohms? 

    Yes  : GO to I6.

    No  : REPAIR the circuit. REPEAT the self-test.

  6. I6 CHECK CIRCUIT 359 (GY/RD) FOR AN OPEN 
    • Disconnect: PCM C175b.
    • Measure the resistance between the CPP switch C2070-2, circuit 359 (GY/RD), harness side and the PCM C175b-41, circuit 359 (GY/RD), harness side.
      Fig 6: Checking Circuit 359 (GY/RD) For An Open
      G04621339Courtesy of FORD MOTOR CO.
    • Is the resistance less than 5 ohms? 

    Yes  : GO to I7.

    No  : REPAIR the circuit. TEST the system for normal operation.

  7. I7 CHECK FOR CORRECT PCM MODULE OPERATION 
    • Disconnect the PCM connectors.
    • Check for:
      • corrosion
      • pushed-out pins
    • Connect the PCM connectors and make sure they seat correctly.
    • Operate the system and verify the concern is still present.
    • Is the concern still presents? 

    Yes  : INSTALL a new PCM. REFER to ELECTRONIC ENGINE CONTROLS - 2.3L or ELECTRONIC ENGINE CONTROLS - 3.0L (4V) . TEST the system for normal operation.

    No  : The system is operating correctly at this time. The concern may have been caused by a loose or corroded connector.