LEMON Manuals: Even more car manuals for everyone: 1960-2025
Home >> Ford >> 2004 >> Excursion 5.4 L, 4WD >> Repair and Diagnosis (Single Page) >> Engine Performance >> System >> Engine Controls - Pinpoint Test JB: Secondary Ignition (Cop) Through Pinpoint Test KD: Electric Exhaust Gas RECIRCULATION (EEGR) System - CNG, Flex-Fuel & Gasoline >> Pinpoint Test KA: Fuel Pump Relay >> Introduction >> Powertrain Control Module (PCM) Connector
April 5, 2026: LEMON Manuals is launched! Read the announcement.

Powertrain Control Module (PCM) Connector

For PCM connector views or reference values,  refer to REFERENCE VALUES - CNG, FLEX-FUEL & GASOLINE .

Vehicle Connector Circuit Pin
Escape 2.0L 104 Pin FPM
FP
40
54
Expedition, Navigator 122 Pin FPM
FP
B20
B27
F-150 Heritage SC 5.4L 104 Pin LFP
FPM
FP
19
40
80
All other vehicles 104 Pin FPM
FP
40
80
Fig 1: Identifying Fuel Pump Circuit - F-Super Duty 250-550, Excursion
G03626733Courtesy of FORD MOTOR CO.
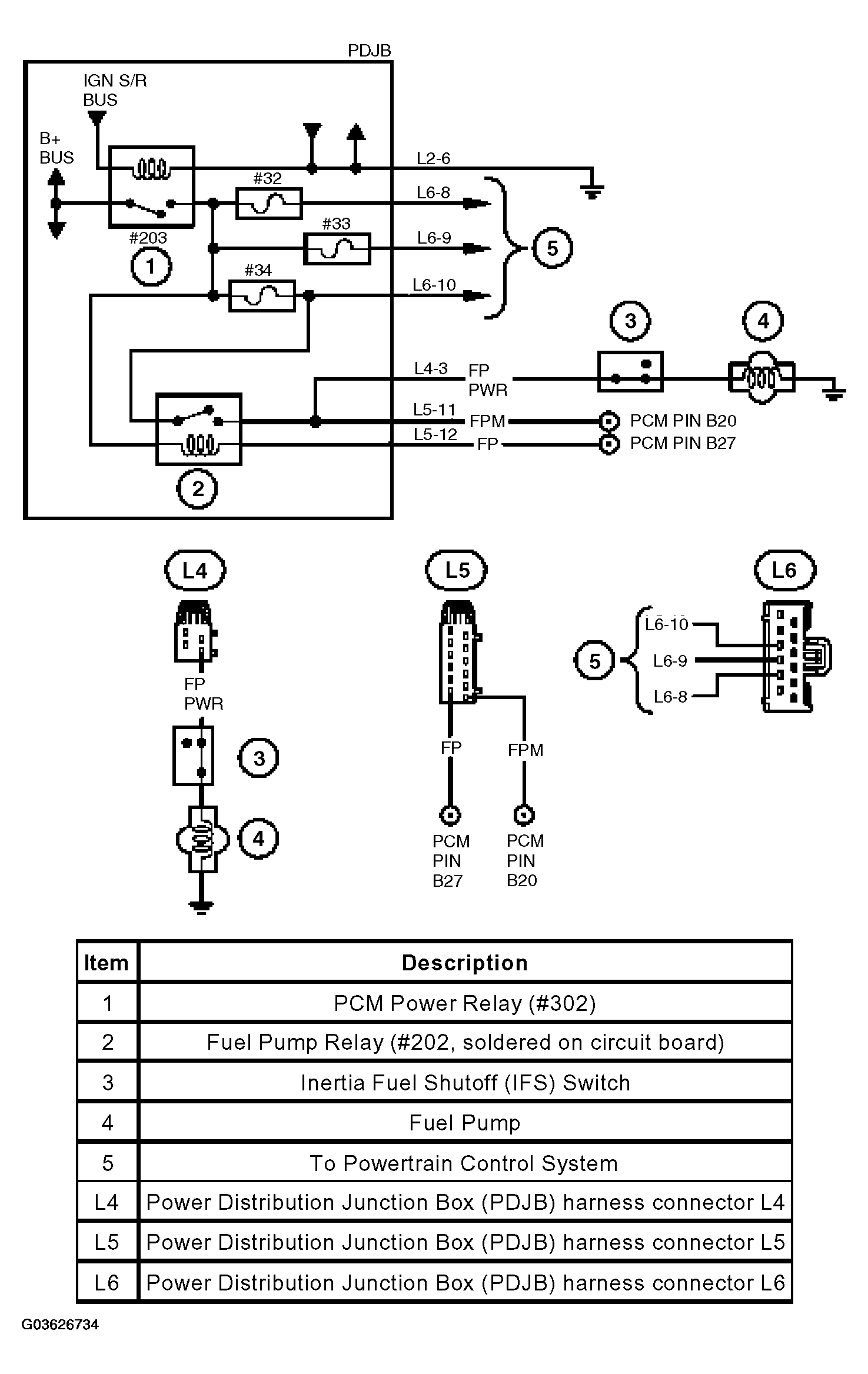
Fig 2: Identifying Fuel Pump Circuit - Expedition, Navigator
G03626734Courtesy of FORD MOTOR CO.
Fig 3: Identifying Low Speed Fuel Pump (LSFP) Relay Connector
G03626735Courtesy of FORD MOTOR CO.
Fig 4: Identifying Inertia Fuel Shutoff (IFS) Relay Connector
G03626736Courtesy of FORD MOTOR CO.
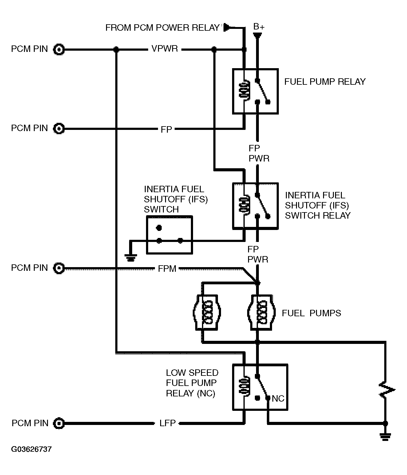
Fig 5: Identifying Fuel Pump Circuit - 5.4L F-150 Heritage
G03626737Courtesy of FORD MOTOR CO.