LEMON Manuals: Even more car manuals for everyone: 1960-2025
Home >> Ford >> 2004 >> Excursion 6.0 P, 4WD >> Repair and Diagnosis >> External Pages >> Different car >> Section 365 (Module Communications Network) >> Diagnosis And Testing >> Driver Seat Module (DSM) >> Symptom Chart >> PINPOINT TEST V: No Communication With The Driver Seat Module (DSM) >> Pinpoint Test V: No Communication With The Driver Seat Module (DSM)
April 5, 2026: LEMON Manuals is launched! Read the announcement.

Pinpoint Test V: No Communication With The Driver Seat Module (DSM)

WARNING: This page is about a different car, the 2004 Lincoln LS. However, it is still accessible from the selected car via links, so may be relevant.

Test Step 

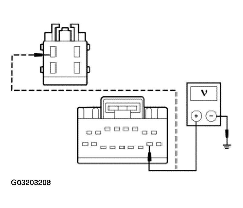
  1. V1 CHECK CIRCUIT 29-AH80 (OG/WH) AND 30-AH80 (RD) FOR VOLTAGE 
    • Key in OFF position.
    • Disconnect the DSM C341b.
    • Disconnect the DSM C341c.
    • Key in ON position.
    • Measure the voltage between the DSM C341b-4, circuit 30-AH80 (RD), harness side and ground and between the DSM C341c-10, circuit 29-AH80 (OG/WH), harness side and ground.
      Fig 1: Checking Circuit 29-AH80 (OG/WH) And 30-AH80 (RD) Voltage
      G03203208Courtesy of FORD MOTOR CO.
    • Are the voltages greater than 10 volts? 

    Result / Action to Take 

    1. Yes  : GO to V2.
    2. No  : REPAIR the supply circuit in question. TEST the system for normal operation.
  2. V2 CHECK CIRCUITS 31-AH80 (BK) AND 91-AH80 (BN/WH) FOR AN OPEN 
    • Key in OFF position.
    • Measure the resistance between the DSM C341 b-3, circuit 31-AH80 (BK), harness side and ground and between the DSM C341c-2, circuit 91-AH80 (BN/WH), harness side and ground.
      Fig 2: Checking Circuits 31-AH80 (BK) And 91-AH80 (BN/WH) For Open
      G03203209Courtesy of FORD MOTOR CO.
    • Are the resistances less than 5 ohms? 
    1. Yes  : Go To PINPOINT TEST I: THE DRIVER SEAT MODULE (DSM) DOES NOT RESPOND TO THE DIAGNOSTIC TOOL .
    2. No  : REPAIR the circuit in question. TEST the system for normal operation.