LEMON Manuals: Even more car manuals for everyone: 1960-2025
Home >> Ford >> 2006 >> Expedition 4WD >> Repair and Diagnosis (Single Page) >> Accessories & Equipment >> Communication Devices >> MULTIFUNCTION Electronic Modules >> Diagnosis And Testing >> Vehicle Security Module (VSM) >> Pinpoint Tests >> Pinpoint Test A: No Communication With The Vehicle Security Module >> Pinpoint Test A: No Communication With The Vehicle Security Module
April 5, 2026: LEMON Manuals is launched! Read the announcement.

Pinpoint Test A: No Communication With The Vehicle Security Module

CAUTION: Use the correct probe adaptor(s) when making measurements. Failure to use the correct probe adaptor(s) may damage the connector.
  1. A1 CHECK THE VOLTAGE TO THE VEHICLE SECURITY MODULE 
    • Key in OFF position.
    • Disconnect: Vehicle Security Module C2113b.
    • Key in ON position.
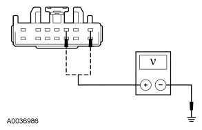
    • Measure the voltage between the vehicle security module C2113b-3, circuit 729 (RD/WH), harness side and ground; and between the vehicle security C2113b-1, circuit 1523 (DG), harness side and ground.
      Fig 1: Checking Voltage To Vehicle Security Module
      G04630180Courtesy of FORD MOTOR CO.
    • Are the voltages greater than 10 volts? 

    Yes:  GO to  A2.

    No:  VERIFY the central junction box (CJB) fuse 5 (7.5A) and 20 (30A) are OK. If OK, REPAIR the circuit in question. CLEAR the DTCs. REPEAT the self-test.

  2. A2 CHECK CIRCUIT 57 (BK) FOR AN OPEN 
    • Key in OFF position.
    • Disconnect: Vehicle Security Module C2113a.
    • Measure the resistance between the vehicle security module C2113a-14, circuit 57 (BK), harness side and ground.
      Fig 2: Checking Circuit 57 (BK) For Open
      G04630181Courtesy of FORD MOTOR CO.
    • Is the resistance less than 5 ohms? 

    Yes:  REFER to MODULE COMMUNICATIONS NETWORK to continue communication diagnosis.

    No:  REPAIR the circuit. CLEAR the DTCs. REPEAT the self-test.