LEMON Manuals: Even more car manuals for everyone: 1960-2025
Home >> Ford >> 2006 >> Expedition 4WD >> Repair and Diagnosis (Single Page) >> Heating, Ventilation & A/C (HVAC) >> HVAC Control Systems >> HVAC Climate Control System-General Information And Diagnostics >> Diagnosis And Testing >> Climate Control System >> Pinpoint Tests >> Pinpoint Test X: The Temperature Control Is Inoperative Using The Front Auxilliary Climate Controls >> Pinpoint Test X: The Temperature Control Is Inoperative Using The Front Auxiliary Climate Controls
April 5, 2026: LEMON Manuals is launched! Read the announcement.

Pinpoint Test X: The Temperature Control Is Inoperative Using The Front Auxiliary Climate Controls

  1. X1 CHECK VOLTAGE TO BLEND DOOR ACTUATOR 
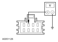
    • Disconnect: Auxiliary Temperature Blend Door Actuator C3004.
    • Key in ON position.
    • Measure the voltage between auxiliary temperature blend door actuator C3004-7, circuit 294 (WH/LB) and ground.
      Fig 1: Checking Voltage To Blend Door Actuator
      G04629349Courtesy of FORD MOTOR CO.
    • Is the voltage greater than 10 volts? 

    Yes:  GO to  X2.

    No:  VERIFY the central junction box (CJB) fuse 18 (10A) is OK. If OK, REPAIR circuit 294 (WH/LB) for an open. TEST the system for normal operation.

  2. X2 CHECK THE BLEND DOOR ACTUATOR GROUND CIRCUIT 
    • Key in OFF position.
    • Measure the resistance between front auxiliary climate control assembly C989b-9, circuit 57 (BK) and ground.
      Fig 2: Checking Blend Door Actuator Ground Circuit
      G04629350Courtesy of FORD MOTOR CO.
    • Is the resistance less than 5 ohms? 

    Yes:  GO to  X3.

    No:  REPAIR circuit 57 (BK) for an open. TEST the system for normal operation.

  3. X3 CHECK THE TEMPERATURE BLEND DOOR ACTUATOR SIGNAL 
    • Key in ON position.
    • Place the front auxiliary blower motor switch in HI.
    • Measure the voltage between auxiliary temperature blend door actuator C3004-3, circuit 1126 (LB) and ground. Rotate the temperature control switch to full COOL then to full WARM.
      Fig 3: Checking Temperature Blend Door Actuator Signal
      G04629351Courtesy of FORD MOTOR CO.
    • Does the voltage vary from greater than 10 volts (full COOL) to less than 1 volt (full WARM)? 

    Yes:  INSTALL a new auxiliary temperature blend door actuator. TEST the system for normal operation.

    No:  GO to  X4.

  4. X4 CHECK CIRCUIT 1126 (LB) FOR AN OPEN 
    • Key in OFF position.
    • Disconnect: Front Auxiliary Climate Control Assembly C989b.
    • Measure the resistance between front auxiliary climate control assembly C989b-3, circuit 1126 (LB) and auxiliary temperature blend door actuator C3004-3, circuit 1126 (LB).
      Fig 4: Checking Circuit 1126 (LB) For Open
      G04629352Courtesy of FORD MOTOR CO.
    • Is the resistance less than 5 ohms? 

    Yes:  INSTALL a new front auxiliary climate control assembly. TEST the system for normal operation.

    No:  REPAIR circuit 1126 (LB) for an open. TEST the system for normal operation.