LEMON Manuals: Even more car manuals for everyone: 1960-2025
Home >> Ford >> 2007 >> Mustang Base, 2D Convertible, Automatic >> Repair and Diagnosis (Single Page) >> Accessories & Equipment >> Accessories Control Systems >> Component Testing >> Component Testing >> Front passenger window/door lock switch >> Schematic
April 5, 2026: LEMON Manuals is launched! Read the announcement.

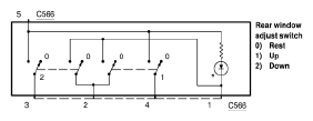
Front passenger window/door lock switch: Schematic

Fig 1: Front Passenger Window/Door Lock Switch - Schematic
G05180929Courtesy of FORD MOTOR CO.