LEMON Manuals: Even more car manuals for everyone: 1960-2025
Home >> Ford >> 2009 >> Explorer 2WD V8-4.6L >> Repair and Diagnosis >> Powertrain Management >> Computers and Control Systems >> Fuel Level Sensor >> Service and Repair >> Fuel Level Sender
April 5, 2026: LEMON Manuals is launched! Read the announcement.

Fuel Level Sender




Fuel Level Sender









Removal

WARNING: Do not smoke, carry lighted tobacco or have an open flame of any type when working on or near any fuel-related component. Highly flammable mixtures are always present and may be ignited. Failure to follow these instructions may result in serious personal injury.

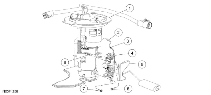
1. Remove the Fuel Pump (FP). For additional information, refer to Fuel Pump Fuel Pump.

2. Remove the screw and the fuel level sender cover.

3. NOTE: Note the routing of the fuel level sender wire for installation.

Remove the heat shrink tube covering the fuel level sender wire electrical connector.





4. Disconnect the fuel level sender wire electrical connector.





5. NOTE: Note the routing of the fuel level sender ground wire for installation.

Disconnect the ground wire and remove the screw and lift up to remove the fuel level sender.





Installation

1. Route the fuel level sender ground wire along the FP body.





2. Route the fuel level sender wire through the center of the FP.





3. NOTE: Both fuel gauge sending wires must be routed behind the metal sending unit plate.

Hook the fuel level sender on the FP and install and tighten the screw. Connect the fuel level sender unit ground wire.





4. Slide the heat shrink tube onto the wire harness and connect the fuel level sender wire electrical connector.





5. WARNING: Do not use an open flame to shrink the heat shrink tube. Use a heat gun only. Fuel residue may be ignited if an open flame is used. Failure to follow this instruction may result in serious personal injury.

Using a heat gun, shrink the heat shrink tube.





6. Install the fuel level sender cover and screw and tighten the screw.

7. Install the FP. For additional information, refer to Fuel Pump Fuel Pump.