LEMON Manuals: Even more car manuals for everyone: 1960-2025
Home >> Ford >> 2009 >> Taurus AWD V6-3.5L >> Repair and Diagnosis >> Diagrams >> Exploded Views >> Automatic Transmission/Transaxle
April 5, 2026: LEMON Manuals is launched! Read the announcement.

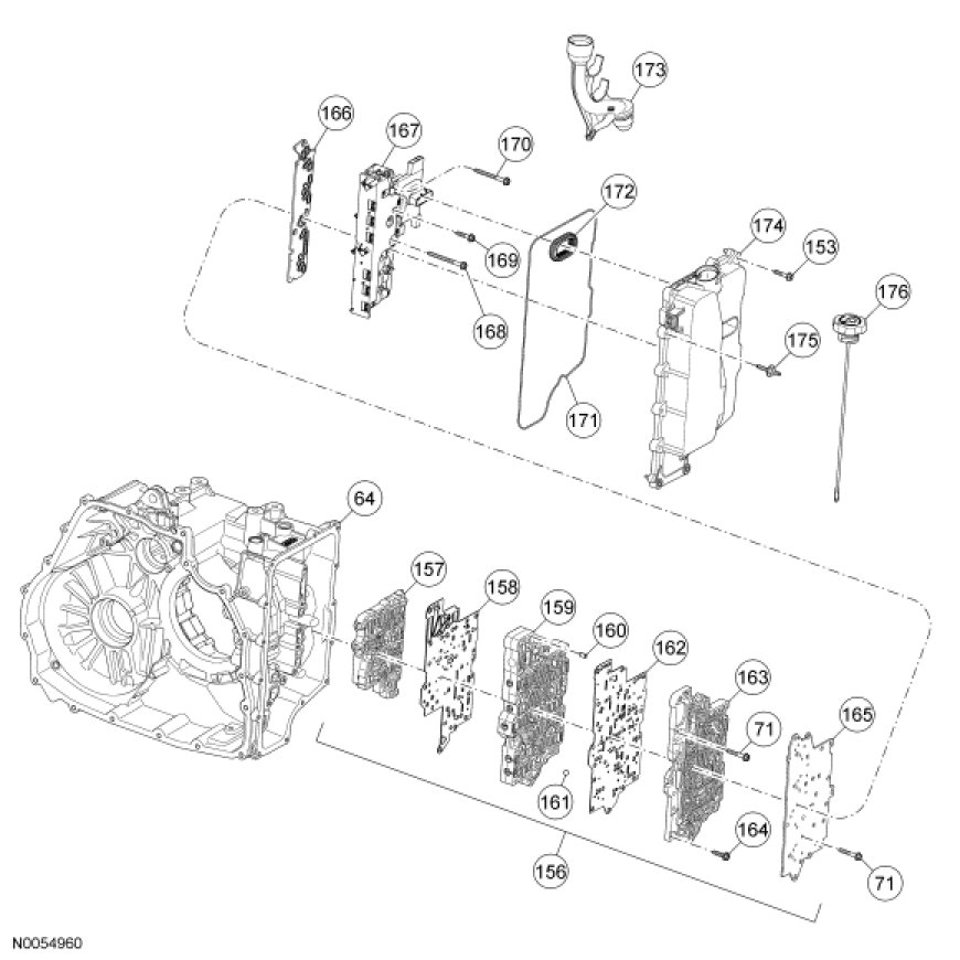
Automatic Transmission/Transaxle




Transaxle

Disassembled Views