LEMON Manuals: Even more car manuals for everyone: 1960-2025
Home >> Ford >> 2009 >> Taurus Limited, AWD >> Repair and Diagnosis >> External Pages >> Different car >> Section 1400 (Cruise Control System - Speed Control) >> Diagnostic Tests >> Speed Control >> Pinpoint Tests >> Pinpoint Test A: The Speed Control is Inoperative >> Pinpoint Test A: The Speed Control Is Inoperative
April 5, 2026: LEMON Manuals is launched! Read the announcement.

Pinpoint Test A: The Speed Control Is Inoperative

WARNING: This page is about a different car, the 2009 Mercury Grand Marquis and 2009 Ford Crown Victoria. However, it is still accessible from the selected car via links, so may be relevant.
CAUTION: Use the correct probe adapter(s) when making measurements. Failure to use the correct probe adapter(s) may damage the connector.
  1. A1 VERIFY PCM CONFIGURATION 
    • Enter the following diagnostic mode on the diagnostic tool: Programmable Parameters
    • Verify that the speed control is enabled in the PCM.
    • Is the speed control enabled? 
    1. YES  : Go to  A2.
    2. NO  : ENABLE the speed control in the PCM using the scan tool programmable parameters menu. If no parameter exists, REFER to MODULE CONFIGURATION article to carry out PCM programmable module installation (PMI). TEST the system for normal operation.
  2. A2 RETRIEVE THE RECORDED PCM DTCs FROM BOTH THE CONTINUOUS AND ON-DEMAND SELF-TESTS 
    • Check for recorded PCM DTCs from the continuous and on-demand self-tests.
    • Are any DTCs recorded? 
    1. YES  : REFER to the DTC Charts .
    2. NO  : Go to  A3.
  3. A3 CHECK THE OPERATION OF THE STOPLAMPS 
    • Key in ON position.
    • Operate the stoplamps.
    • Do the stoplamps operate correctly? 
    1. YES  : Go to  A4.
    2. NO  : REFER to EXTERIOR LIGHTING article.
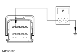
  4. A4 CHECK THE SPEED CONTROL DEACTIVATOR SWITCH FOR CORRECT OPERATION 
    • Key in OFF position.
    • Disconnect: PCM C175b
    • Fig 1: Checking Speed Control Deactivator Switch Voltage
      GF0014219Courtesy of FORD MOTOR CO.
    • While firmly applying and releasing the brake pedal, measure the voltage between the PCM C175b-9, circuit 636 (OG), harness side and ground.
    • Is the voltage greater than 10 volts with the brake pedal released and 0 volts with the brake pedal firmly applied? 
    1. YES  : Go to  A5.
    2. NO  : Go to Pinpoint Test B .
  5. A5 CHECK THE SPEED CONTROL SWITCHES 
    • Key in OFF position.
    • Disconnect: PCM C175b
    • Measure the resistance between the PCM C175b-19, circuit 151 (LB/BK), harness side and the PCM C175b-30, circuit 848 (DG/OG), harness side while pressing the speed control switches as follows:
      Speed Control Switch Resistance Value
      OFF Less than 5 ohms
      COAST 276 - 324 ohms
      SET/ACCEL 552 - 648 ohms
      RESUME 1,021 - 1,199 ohms
      ON 1,941 - 2,278 ohms
      No switch pressed 3,965 - 4,655 ohms
    • Are the speed control switch resistance values OK? 
    1. YES  : Go to  A6.
    2. NO  : INSTALL a new speed control switch. REFER to Speed Control Switch . TEST the system for normal operation.
  6. A6 CHECK THE DIGITAL TR SENSOR 
    • Connect: PCM C175b
    • Key in ON position.
    • Enter the following diagnostic mode on the diagnostic tool: PCM DataLogger
    • Monitor the PCM transmission range sensor (TR) PID.
    • Select DRIVE.
    • Does the PID value agree with the transmission range selector lever position? 
    1. YES  : Go to  A7.
    2. NO  : REFER to AUTOMATIC TRANSAXLE/TRANSMISSION - 4R70E/4R75E article.
  7. A7 CHECK THE VEHICLE SPEED 
    NOTE: This step may require an assistant.
    • Enter the following diagnostic mode on the diagnostic tool: ABS DataLogger
    • Monitor and record the ABS module rear wheel speed (RR_WSPD) PID while driving the vehicle at 48 km/h (30 mph) as indicated on the speedometer.
    • Enter the following diagnostic mode on the diagnostic tool: PCM DataLogger
    • Monitor and record the PCM vehicle speed (VSS) PID while driving the vehicle at 48 km/h (30 mph).
    • Does the speed indicated by the ABS module RR_WSPD PID match the PCM VSS PID? 
    1. YES  : Go to  A8.
    2. NO  : REFER to the Introduction - Gasoline Engines article to diagnose the output shaft sensor (OSS) signal.
  8. A8 CHECK FOR CORRECT PCM OPERATION 
    • Disconnect all the PCM connectors.
    • Check for:
      • corrosion
      • damaged pins
      • pushed-out pins
    • Connect all the PCM connectors and make sure they seat correctly.
    • Operate the system and verify the concern is still present.
    • Is the concern still present? 
    1. YES  : INSTALL a new PCM. REFER to ELECTRONIC ENGINE CONTROLS article. If equipped with fire suppression system, go to  A9 . TEST the system for normal operation.
    2. NO  : The system is operating correctly at this time. The concern may have been caused by a loose or corroded connector. If equipped with fire suppression system, go to  A9 .
  9. A9 REPOWER THE FIRE SUPPRESSION SYSTEM 
    WARNING: If the vehicle is equipped with a fire suppression system, repower the system. For important safety warnings and procedures, refer to FIRE SUPPRESSION SYSTEM article. Failure to follow these instructions may result in serious personal injury.
    • Verify that the fire suppression system is repowered. For additional information, refer to FIRE SUPPRESSION SYSTEM article.
    • Is the fire suppression system repowered? 
    1. YES  : Fire suppression system repowering is complete.
    2. NO  : REFER to FIRE SUPPRESSION SYSTEM article for fire suppression system depowering and repowering procedure.