LEMON Manuals: Even more car manuals for everyone: 1960-2025
Home >> Ford >> 2011 >> Edge FWD V6-3.5L >> Repair and Diagnosis >> Powertrain Management >> Computers and Control Systems >> Body Control Module >> Testing and Inspection >> Pinpoint Tests >> Body Control Module (BCM) >> Pinpoint Test G: DTC U3003:16
April 5, 2026: LEMON Manuals is launched! Read the announcement.

Pinpoint Test G: DTC U3003:16




Body Control Module (BCM)

Pinpoint Test G: DTC U3003:16


Normal Operation

- DTC U3003:16 (Battery Voltage: Circuit Voltage Below threshold)- sets in the Body Control Module (BCM) when the BCM (Body Control Module) detects that battery voltage has dropped below 9 volts from the voltage supply circuit.

This pinpoint test is intended to diagnose the following:

- Wiring, terminals or connectors

- High circuit resistance

- BCM (Body Control Module)

PINPOINT TEST G : DTC U3003:16

NOTICE: Use the correct probe adapter(s) when making measurements. Failure to use the correct probe adapter(s) may damage the connector.

NOTE: Failure to disconnect the battery when instructed results in false resistance readings.

G1 RECHECK THE BCM (Body Control Module) DTCs

- Ignition ON.

- Enter the following diagnostic mode on the scan tool: BCM (Body Control Module) Self-Test.

- Clear the DTCs. Repeat the BCM (Body Control Module) self-test.

Is DTC U3003:16 still present?

Yes
GO to G2.

No
The system is operating normally at this time. The DTC may have been set due to a previous low battery voltage condition.

G2 CHECK FOR CHARGING SYSTEM DTCs IN THE PCM

- Enter the following diagnostic mode on the scan tool: PCM Self-Test.

- Carry out the PCM KOEO (Key ON Engine OFF) self-test.

- Retrieve the continuous memory DTCs from the PCM.

Is DTC P0562, P0620, P0622, P0625, P0626 or P065B set in the PCM?

Yes
REFER to Charging System.

No
GO to G3.

G3 CHECK THE BATTERY CONDITION AND STATE OF CHARGE

- Ignition OFF.

- Check the battery condition and verify the battery is fully charged.

Is the battery OK and fully charged?

Yes
GO to G4.

No
REFER to Charging System.

G4 CHECK THE BCM (Body Control Module) VOLTAGE PID

- Ignition ON.

- Measure and record the voltage at the battery.

- Enter the following diagnostic mode on the scan tool: BCM (Body Control Module) DataLogger.

- Monitor the BCM (Body Control Module) voltage PID (V_BATT).

Is the voltage within 0.2 volt of the recorded battery voltage?

Yes
GO to G7.

No
GO to G5.

G5 CHECK THE BCM (Body Control Module) VOLTAGE SUPPLY

- Ignition OFF.

- Disconnect: BCM (Body Control Module) C2280G.

- Ignition ON.

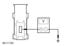
- Measure the voltage between the BCM (Body Control Module) C2280G-1, circuit SDC02 (RD), harness side and ground.






Is the voltage within 0.2 volt of the recorded battery voltage?

Yes
GO to G6.

No
REPAIR circuit SDC02 (RD) for high resistance. CLEAR the DTC. REPEAT the self-test.

G6 CHECK THE BCM (Body Control Module) GROUND CIRCUIT FOR HIGH RESISTANCE

- Ignition OFF.

- Disconnect: Negative Battery Cable.

- Disconnect: BCM (Body Control Module) C2280D.

- Measure the resistance between the BCM (Body Control Module) C2280D-25, circuit GD133 (BK), harness side and ground.






Is the resistance less than 5 ohms?

Yes
GO to G7.

No
REPAIR circuit GD133 (BK) for high resistance. CLEAR the DTC. REPEAT the self-test.

G7 CHECK FOR CORRECT BCM (Body Control Module) OPERATION

- Disconnect the BCM (Body Control Module) connectors.

- Check for:
- corrosion

- damaged pins

- pushed-out pins


- Connect the BCM (Body Control Module) connectors and make sure they seat correctly.

- Operate the system and verify the concern is still present.

Is the concern still present?

Yes
INSTALL a new BCM (Body Control Module). REFER to Body Control Module (BCM) Body Control Module (BCM). TEST the system for normal operation.

No
The system is operating correctly at this time. The concern may have been caused by a loose or corroded connector.