LEMON Manuals: Even more car manuals for everyone: 1960-2025
Home >> Ford >> 2011 >> Mustang Base, 2D Convertible, Automatic >> Repair and Diagnosis (Single Page) >> Accessories & Equipment >> Communication Devices >> MULTIFUNCTION Electronic Module >> Diagnosis And Testing >> Body Control Module B (BCM-B) >> Pinpoint Tests >> Pinpoint Test I: DTC U3003:62 >> Pinpoint Test I: DTC U3003:62
April 5, 2026: LEMON Manuals is launched! Read the announcement.

Pinpoint Test I: DTC U3003:62

NOTE: Use the correct probe adapter(s) when making measurements. Failure to use the correct probe adapter(s) may damage the connector.
NOTE: Failure to disconnect the battery when instructed results in false resistance readings. Refer to BATTERY, MOUNTING & CABLES article.
NOTE: DTC U3003:62 may be stored in the module memory due to previous battery charging or vehicle jump starting events.
  1. I1 RECHECK THE BCM-B DTCs 
    • Ignition OFF.
    • Ignition ON.
    • Enter the following diagnostic mode on the scan tool: BCM-B Self-Test.
    • Clear the DTCs. Repeat the BCM-B  self-test.
    • Is DTC U3003:62 still present? 
    • Yes:  Go to I2  .
    • No:  The system is operating normally at this time. The DTC may have been set due to a previous low battery voltage condition, during battery charging or while jump starting the vehicle.
  2. I2 CHECK FOR CHARGING SYSTEM DTCs IN THE PCM 
    • Enter the following diagnostic mode on the scan tool: PCM Self-Test.
    • Carry out the PCM KOEO  self-test.
    • Retrieve the continuous memory DTCs from the PCM.
    • Is DTC P0562, P0620, P0622, P0625, P0626 or P065B set in the PCM? 
  3. I3 CHECK FOR DTCs B1317, B1318 B1676, P0563 OR U3003:62 SET IN OTHER MODULES 
    • Enter the following diagnostic mode on the scan tool: Self-Test.
    • Retrieve the continuous memory DTCs from all modules.
    • Is DTC B1317, B1676, P0563 (PCM) or U3003:17 set in more than one module? 
    • Yes:  Refer to CHARGING SYSTEM article to diagnose the charging system condition.
    • No:  Go to I4  .
  4. I4 CHECK THE BATTERY VOLTAGE
    • Turn off all interior/exterior lights and accessories.
    • Start and run the engine at approximately 2,000 rpm for 3 minutes while monitoring the battery voltage.
    • Does the battery voltage rise to 15 volts or higher? 
    • Yes:  Refer to CHARGING SYSTEM article to diagnose an overcharging condition.
    • No:  Go to I5  .
  5. I5 CHECK THE BATTERY CONDITION AND STATE OF CHARGE 
    • Ignition OFF.
    • Check the battery condition and verify the battery is fully charged. Refer to BATTERY, MOUNTING & CABLES article.
    • Is the battery OK and fully charged? 
  6. I6 CHECK THE BCM-B VOLTAGE PID 
    • Ignition ON.
    • Measure and record the voltage at the battery.
    • Enter the following diagnostic mode on the scan tool: BCM-B  DataLogger.
    • Monitor the BCM-B  voltage PID (VPWR_BCMB).
    • Is the voltage within 0.2 volt of the recorded battery voltage? 
    • Yes:  Go to  I9.
    • No:  Go to I7  .
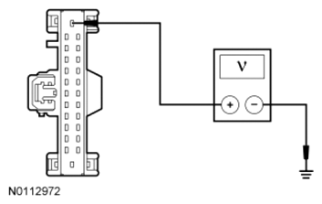
  7. I7 CHECK THE BCM-B VOLTAGE SUPPLY 
    • Ignition OFF.
    • Disconnect: BCM-B  C4368a.
    • Ignition ON.
    • Measure the voltage between the BCM-B  C4368a-1, circuit SBB18 (YE/RD), harness side and ground.
      Fig 1: Checking BCM-B Voltage Supply
      G07477102Courtesy of FORD MOTOR CO.
    • Is the voltage within 0.2 volt of the recorded battery voltage? 
    • Yes:  Go to I8  .
    • No:  REPAIR circuit SBB18 (YE/RD) for high resistance. CLEAR the DTC. REPEAT the self-test.
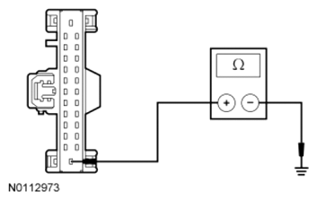
  8. I8 CHECK THE BCM-B GROUND CIRCUIT FOR HIGH RESISTANCE 
    • Ignition OFF.
    • Disconnect: Negative Battery Cable.
    • Measure the resistance between the BCM-B C4368a-13, circuit GD110 (BK/WH), harness side and ground.
      Fig 2: Checking BCM-B Ground Circuit For High Resistance
      G07477103Courtesy of FORD MOTOR CO.
    • Is the resistance less than 5 ohms? 
    • Yes:  Go to I9  .
    • No:  REPAIR circuit GD110 (BK/WH) for high resistance. CLEAR the DTC. REPEAT the self-test.
  9. I9 CHECK FOR CORRECT BCM-B OPERATION 
    • Disconnect the BCM-B connectors.
    • Check for:
      • corrosion
      • damaged pins
      • pushed-out pins
    • Connect the BCM-B  connectors and make sure they seat correctly.
    • Operate the system and verify the concern is still present.
    • Is the concern still present? 
    • Yes:  INSTALL a new BCM-B. Refer to BODY CONTROL MODULE B (BCM-B)  in this service information. TEST the system for normal operation.
    • No:  The system is operating correctly at this time. The concern may have been caused by a loose or corroded connector.