Fuel Pressure Sensor/Switch
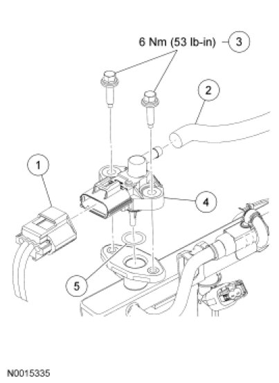
Engine Control Components - Exploded View, 5.4L (4V)
Fuel Rail Pressure and Temperature Sensor
WARNING: Do not smoke, carry lighted tobacco or have an open flame of any type when working on or near any fuel-related component. Highly flammable mixtures are always present and may be ignited. Failure to follow these instructions may result in serious personal injury.
WARNING: Before working on or disconnecting any of the fuel tubes or fuel system components, relieve the fuel system pressure to prevent accidental spraying of fuel. Fuel in the fuel system remains under high pressure, even when the engine is not running. Failure to follow this instruction may result in serious personal injury.
NOTE: Release the fuel system pressure prior to removing the fuel rail pressure and temperature sensor . For additional information, refer to Fuel System - General Information Service and Repair
NOTE: Inspect the O-ring seal and install new as necessary. Lubricate the O-ring seal with clean engine oil.
1. Refer to the procedures and/or exploded views for any Warnings, Notices, Notes, Materials, Specifications, and Special Tools. Items in the exploded views may not be listed in order of removal.