LEMON Manuals: Even more car manuals for everyone: 1960-2025
Home >> Ford >> 2011 >> Taurus SE >> Repair and Diagnosis >> Accessories & Equipment >> Accessories Control Systems >> Component Testing >> Introduction >> Start / stop switch >> Schematic
April 5, 2026: LEMON Manuals is launched! Read the announcement.

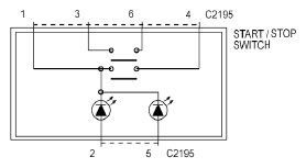
Start / stop switch: Schematic

Fig 1: Start / Stop Switch - Schematic
G07337040Courtesy of FORD MOTOR CO.