LEMON Manuals: Even more car manuals for everyone: 1960-2025
Home >> Ford >> 2012 >> E 150 V8-4.6L >> Repair and Diagnosis >> Relays and Modules >> Relays and Modules - Brakes and Traction Control >> Trailer Brake Control Module >> Testing and Inspection >> Pinpoint Tests >> Pinpoint Test D: When The Ignition Key is Turned to The RUN Position, The TBC (Trailer Brake Control) Module Display Does Light
April 5, 2026: LEMON Manuals is launched! Read the announcement.

Pinpoint Test D: When The Ignition Key is Turned to The RUN Position, The TBC (Trailer Brake Control) Module Display Does Light




Auxiliary Brake System - Trailer Brake Control (TBC) Module

Pinpoint Test D: When the Ignition Key is Turned to the RUN Position, the TBC (Trailer Brake Control) Module Display Does Light Up/Prove Out but the Trailer Brakes are Inoperative

NOTE: Carry out all pinpoint tests without a trailer connected to the vehicle.

Normal Operation

The braking energy that is provided to the trailer is varied with a Pulse Width Modulated (PWM) signal along circuit CAT19 (BU) that switches between 0 volt and battery voltage, the higher the duty cycle the more braking power available. The Trailer Brake Control (TBC) module varies the PWM (Pulse Width Modulated) signal based on various inputs such as the pressure transducer(s), the manual slider switch and the gain buttons. With the vehicle stationary and with the manual slider switch fully to the left with a gain of 10, there should be greater than 10-12 volts supplied to trailer tow C4099-3 circuit CAT19 (BU).

The TBC (Trailer Brake Control) module receives Brake Pedal Position (BPP) (stoplamp) switch information from the PCM over the High Speed Controller Area Network (HS-CAN) bus. The TBC (Trailer Brake Control) module also receives several sensor input messages (brake pressure switch, wheel speed, sensor cluster, ABS system status, etc.) from the ABS module over the HS-CAN (High Speed Controller Area Network) bus. If there is a problem in the ABS module that is preventing this information from being sent to the TBC (Trailer Brake Control) module, the TBC (Trailer Brake Control) module will enter a limited operating mode. The TBC (Trailer Brake Control) module receives fused battery voltage from Battery Junction Box (BJB) fuse 18 (30A) along circuit SBB18 (YE/RD) and fused ignition voltage from Smart Junction Box (SJB) fuse 33 (10A) along circuit CBP33 (WH/BN). The ground path for the TBC (Trailer Brake Control) module is along circuit GD116 (BK/VT).

This pinpoint test is intended to diagnose the following:

- Fuse(s)

- Wiring, terminals or connectors

- ABS module

- TBC (Trailer Brake Control) module

- Customer trailer

PINPOINT TEST D : WHEN THE IGNITION KEY IS TURNED TO THE RUN POSITION, THE TBC (Trailer Brake Control) MODULE DISPLAY DOES LIGHT UP/PROVE OUT BUT THE TRAILER BRAKES ARE INOPERATIVE

NOTICE: Use the Flex Probe Kit for all test connections to prevent damage to the wiring terminals. Do not use standard multi-meter probes.

NOTE: Make sure the trailer brakes are electric-magnet actuated drum type brakes before proceeding with this pinpoint test.

D1 CHECK FOR ANY ABS MODULE DTCs

- Connect the scan tool.

- Ignition ON.

- Enter the following diagnostic mode on the scan tool: Self Test- ABS Module.

- Retrieve and record any ABS module DTCs.

Are any ABS module DTCs retrieved?

Yes
REFER to Antilock Brakes / Traction Control Systems.

No
GO to D2.

D2 CHECK THE TBC (Trailer Brake Control) BRAKE ON/OFF (BOO_TBC) PID

- Enter the following diagnostic mode on the scan tool: DataLogger- TBC (Trailer Brake Control) Module.

- Monitor the BOO_TBC PID while pressing and releasing the brake pedal.

Does the PID agree with the brake pedal position?

Yes
GO to D4.

No
GO to D3.

D3 CHECK THE PCM BOO PID

- Enter the following diagnostic mode on the scan tool: DataLogger- PCM.

- Monitor the BOO PID while pressing and releasing the brake pedal.

Does the PID agree with the brake pedal position?

Yes
REFER to Information Bus to diagnose the HS-CAN (High Speed Controller Area Network) bus.

No
REFER to Lighting and Horns to diagnose the stoplamp (BPP (Brake Pedal Position)) switch.

D4 CHECK THE VOLTAGE TO THE TBC (Trailer Brake Control) MODULE

- Ignition OFF.

- Disconnect: TBC (Trailer Brake Control) Module C2142.

- Ignition ON.

- Measure the voltage between ground and:
- TBC (Trailer Brake Control) module C2142-8, circuit SBB18 (YE/RD), harness side.

- TBC (Trailer Brake Control) module C2142-12, circuit CBP33 (WH/BN), harness side.






Are the voltages greater than 10 volts?

Yes
GO to D5.

No
VERIFY BJB (Battery Junction Box) fuse 18 (30A) is OK. If OK, REPAIR circuit SBB18 (YE/RD).

VERIFY SJB (Smart Junction Box) fuse 33 (10A) is OK. If OK, REPAIR circuit CBP33 (WH/BN).

If either fuse is not OK, REFER to the Wiring Diagrams to identify the possible causes of the circuit short Electrical Diagrams.

CLEAR the DTCs. REPEAT the self-test.

D5 CHECK THE TBC (Trailer Brake Control) MODULE GROUND CIRCUIT FOR AN OPEN

- Ignition OFF.

- Measure the resistance between TBC (Trailer Brake Control) module C2142-11, circuit GD116 (BK/VT), harness side and ground.





Is the resistance less than 5 ohms?

Yes
GO to D6.

No
REPAIR circuit GD116 (BK/VT). CLEAR the DTCs. REPEAT the self-test.

D6 CHECK THE TBC (Trailer Brake Control) MODULE PWM (Pulse Width Modulated) OUTPUT CIRCUIT FOR AN OPEN

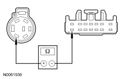
- Measure the resistance between trailer tow 7-pin trailer tow connector pin-3, circuit CAT19 (BU), harness side and TBC (Trailer Brake Control) module C2142-14, circuit CAT19 (BU), harness side.





Is the resistance less than 5 ohms?

Yes
GO to D7.

No
REPAIR circuit CAT19 (BU). CLEAR the DTCs. REPEAT the self-test.

D7 CHECK THE TBC (Trailer Brake Control) MODULE FOR MAXIMUM OUTPUT

NOTE: Battery voltage must be greater than 10 volts.

- Ignition OFF.

- Connect: TBC (Trailer Brake Control) Module C2142.

- Ignition ON.

- Input a gain setting of 10 into the TBC (Trailer Brake Control) module.

- NOTE: If the manual slider switch is held to the full left position for more than 5 minutes, the TBC (Trailer Brake Control) module will automatically shut down.

Have an assistant press the manual slider switch fully to the left with a gain of 10 on the TBC (Trailer Brake Control) module.


- Measure the voltage between trailer tow 7-pin trailer tow connector pin-3, circuit CAT19 (BU), harness side and ground.





Is the voltage greater than 10-12 volts?

Yes
The TBC (Trailer Brake Control) module is operating correctly. SEND the trailer to an authorized camper/trailer repair center for an overload condition.

No
GO to D8.

D8 CHECK FOR CORRECT TBC (Trailer Brake Control) MODULE OPERATION

- Disconnect: TBC (Trailer Brake Control) Module C2142.

- Check the connector for:
- corrosion.
- pushed-out pins.
- spread terminals.


- Connect: TBC (Trailer Brake Control) Module C2142.

- Make sure the connector is seated correctly, then operate the system and verify the concern is still present.

Is the concern still present?

Yes
INSTALL a new TBC (Trailer Brake Control) module. REFER to Trailer Brake Control (TBC) Module Service and Repair. TEST the system for normal operation.

No
The system is operating correctly at this time. The concern may have been caused by a loose or corroded connector. TEST the system for normal operation.