LEMON Manuals: Even more car manuals for everyone: 1960-2025
Home >> Ford >> 2012 >> Edge Sport, FWD >> Repair and Diagnosis >> Electrical >> Body Electrical >> OEM Component Testing >> Component Testing >> Ignition switch >> Schematic
April 5, 2026: LEMON Manuals is launched! Read the announcement.

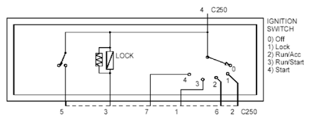
Ignition switch: Schematic

Fig 1: Ignition Switch - Component Testing
G07898809Courtesy of FORD MOTOR CO.