LEMON Manuals: Even more car manuals for everyone: 1960-2025
Home >> Ford >> 2017 >> C-Max Energi Titanium >> Repair and Diagnosis >> Electrical >> Charging Systems >> Charging System - General Information >> Description And Operation >> Charging System - System Operation And Component Description >> System Operation
April 5, 2026: LEMON Manuals is launched! Read the announcement.

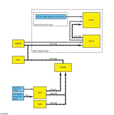
System Operation

System Diagram 

GFD224148Courtesy of FORD MOTOR COMPANY