LEMON Manuals: Even more car manuals for everyone: 1960-2025
Home >> Ford >> 2018 >> Edge SE, AWD >> Repair and Diagnosis (Single Page) >> Steering >> Manual Steering >> Power Steering >> Description And Operation >> Adaptive Steering - System Operation and Component Description >> System Operation >> System Diagram
April 5, 2026: LEMON Manuals is launched! Read the announcement.

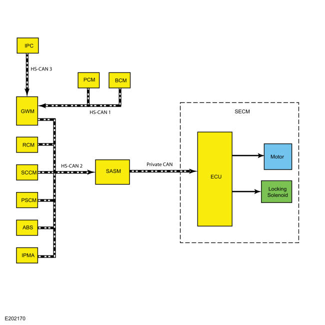
System Diagram

GFD277371Courtesy of FORD MOTOR COMPANY
GFD277372Courtesy of FORD MOTOR COMPANY
Item Description
1 SECM
2 IPMA
3 ABS module
4 PSCM
5 GWM
6 ECU
7 Adaptive steering motor
8 Adaptive steering locking solenoid
9 SASM
10 BCM
11 PCM
12 IPC
13 SCCM
14 RCM