LEMON Manuals: Even more car manuals for everyone: 1960-2025
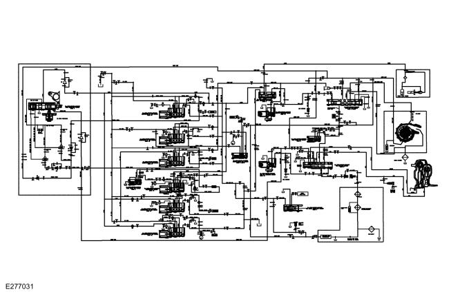
Home >> Ford >> 2020 >> Edge SE, FWD >> Repair and Diagnosis (Single Page) >> Transmission >> Automatic Trans >> Automatic Transmission, Transfer Case And Power Transfer Unit - 8-Speed Automatic Transmission - 8F35/8F40 (1 Of 2) >> Description And Operation >> Transmission Description - System Operation and Component Description >> Component Description >> System Diagram
April 5, 2026: LEMON Manuals is launched! Read the announcement.

System Diagram

GFD526944Courtesy of FORD MOTOR COMPANY

8F35 Hydraulic Schematic