LEMON Manuals: Even more car manuals for everyone: 1960-2025
Home >> Ford >> 2021 >> Edge ST-Line, FWD >> Repair and Diagnosis >> External Pages >> Different car >> Section 179 (Power Steering) >> Description And Operation >> Adaptive Steering - System Operation and Component Description >> System Diagram
April 5, 2026: LEMON Manuals is launched! Read the announcement.

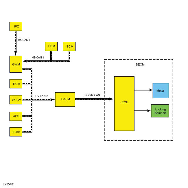
System Diagram

WARNING: This page is about a different car, the 2019 Ford F-550 Super Duty, 2019 Ford F-450 Super Duty, 2019 Ford F-350 Super Duty, and 2019 Ford F-250 Super Duty. However, it is still accessible from the selected car via links, so may be relevant.
GFD405399Courtesy of FORD MOTOR COMPANY