LEMON Manuals: Even more car manuals for everyone: 1960-2025
Home >> GMC >> 1990 >> Forward Control 3.9 L >> Repair and Diagnosis >> Engine Performance >> System >> Engine Controls - System/Component Tests >> Miscellaneous ECM Controls >> Cooling Fan Relay
April 5, 2026: LEMON Manuals is launched! Read the announcement.

Cooling Fan Relay

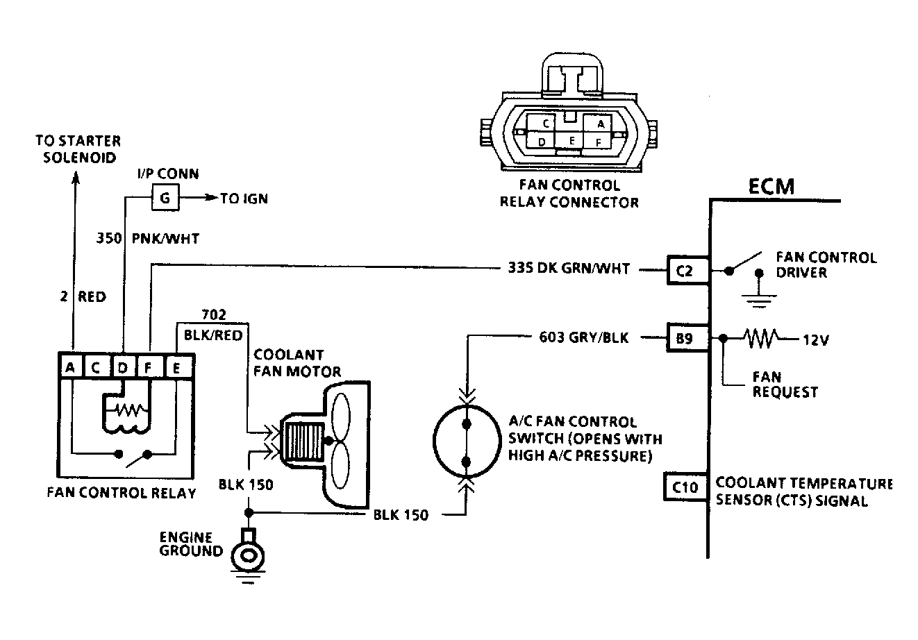
  1. Disconnect cooling fan relay harness connector. Using an ohmmeter, check continuity of relay winding. See Figure. Continuity should exist. Check continuity across power delivery terminals of relay. With relay not energized, no continuity should exist.
  2. With ohmmeter still attached to power delivery terminals of relay, apply battery voltage and ground to energize relay winding. Continuity should now be present between cooling fan relay power delivery terminals. Replace cooling fan relay if readings are not as specified.