LEMON Manuals: Even more car manuals for everyone: 1960-2025
Home >> GMC >> 1991 >> Forward Control 6.2 J, Automatic >> Repair and Diagnosis (Single Page) >> Accessories & Equipment >> Wiper/Washer Systems >> Wiper System/Washer System - P Series Vans >> Testing >> Wipers Do Not Operate In Hi Testing
April 5, 2026: LEMON Manuals is launched! Read the announcement.

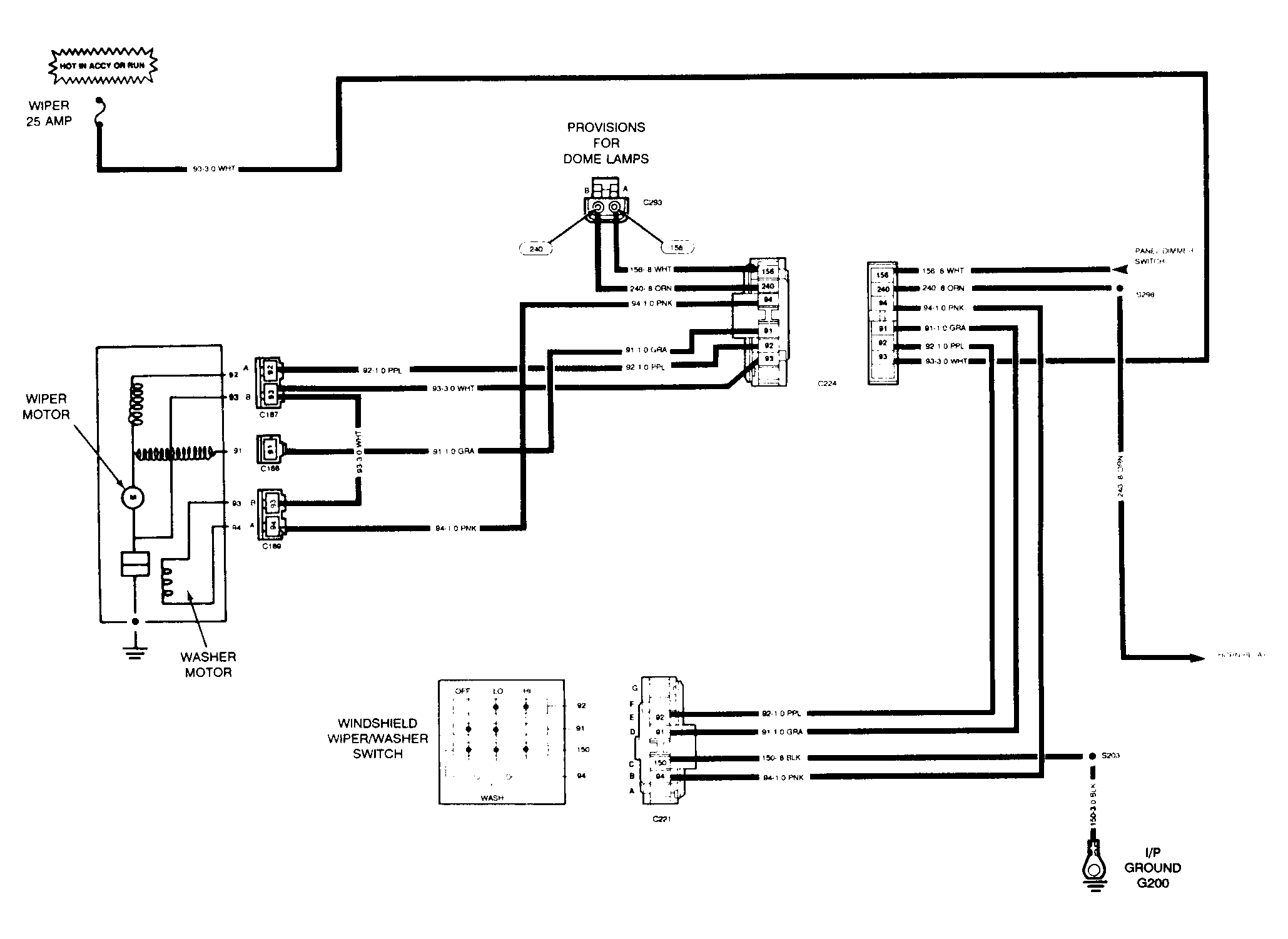
Wipers Do Not Operate In Hi Testing

  1. Place ignition switch in RUN or ACC position and wiper switch in HI position. Connect a fused jumper between ground and Purple wire at wiper module connector C221. See Figure .
  2. If wiper motor runs, replace wiper/washer switch. If wiper motor fails to run, repair open in Purple wire between wiper motor and wiper/washer switch connector. If wire is okay, replace wiper motor.