LEMON Manuals: Even more car manuals for everyone: 1960-2025
Home >> GMC >> 1992 >> Yukon V8-350 5.7L >> Repair and Diagnosis >> Diagrams >> Electrical Diagrams >> Powertrain Management >> System Diagram >> Electronic/Powertrain Control Module (ECM/PCM) >> ECM/PCM Inputs/Outputs >> ECM/PCM Outputs
April 5, 2026: LEMON Manuals is launched! Read the announcement.

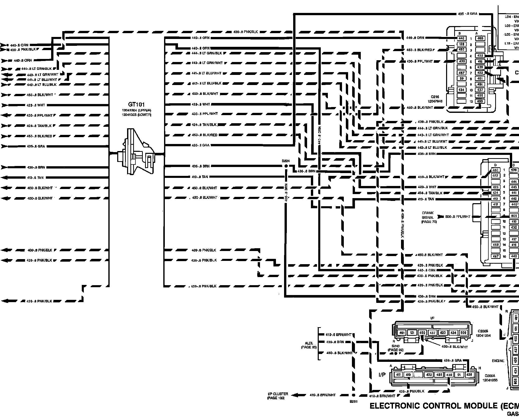
ECM/PCM Outputs

*6�#Electronic Control Module (ECM) Outputs:



X��#Electronic Control Module (ECM) Outputs:



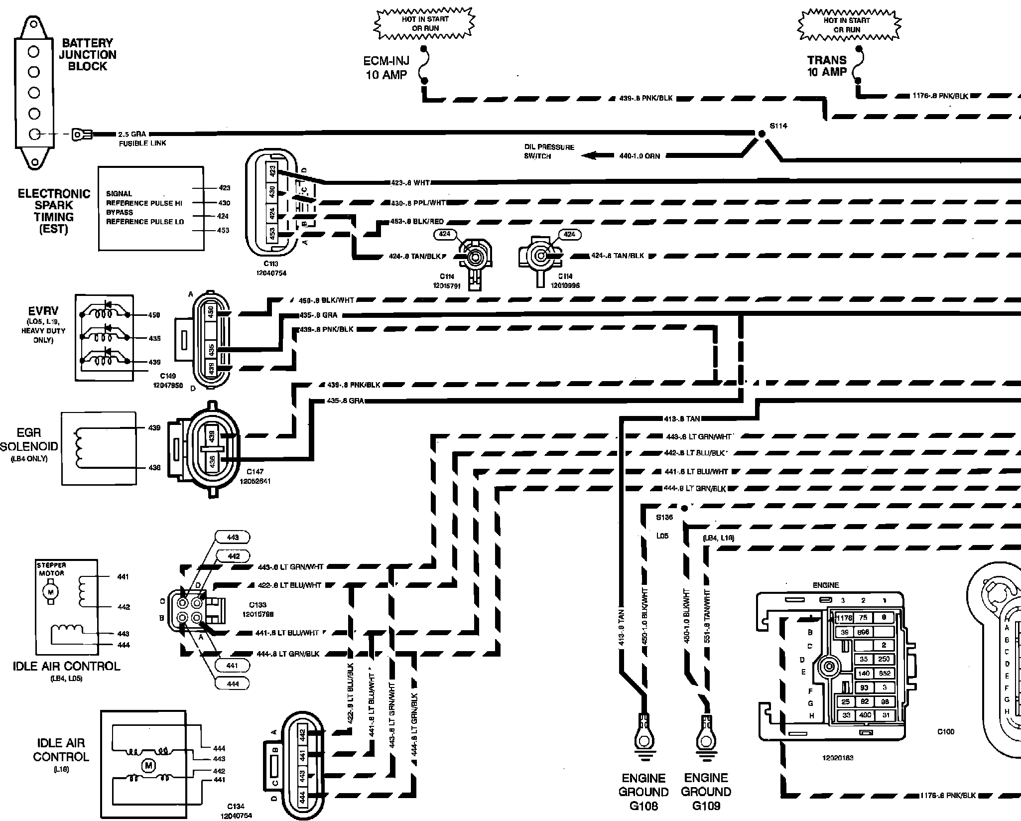
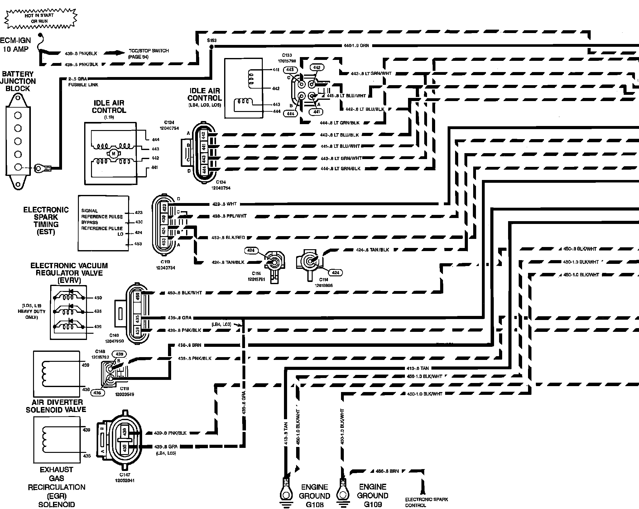
°�#Powertrain Control Module (PCM) Outputs:



�|�#Powertrain Control Module (PCM) Outputs: