LEMON Manuals: Even more car manuals for everyone: 1960-2025
Home >> GMC >> 1992 >> Yukon V8-350 5.7L >> Repair and Diagnosis >> Powertrain Management >> Diagrams >> Electrical Diagrams >> Electronic/Powertrain Control Module (ECM/PCM) >> ECM/PCM Inputs/Outputs >> ECM/PCM Inputs
April 5, 2026: LEMON Manuals is launched! Read the announcement.

ECM/PCM Inputs

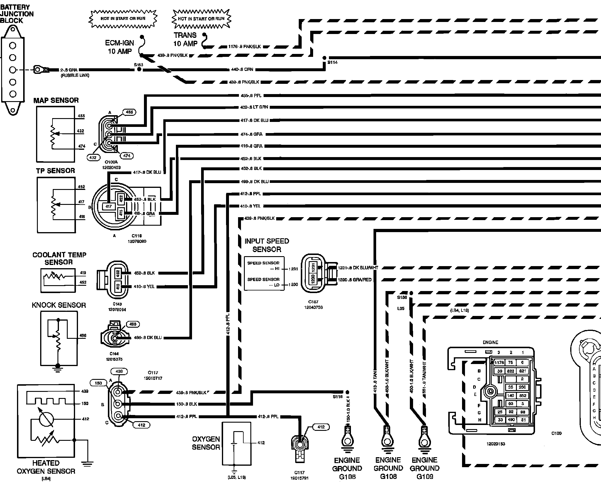
���#Electronic Control Module (ECM) Inputs:



%�#Electronic Control Module (ECM) Inputs:



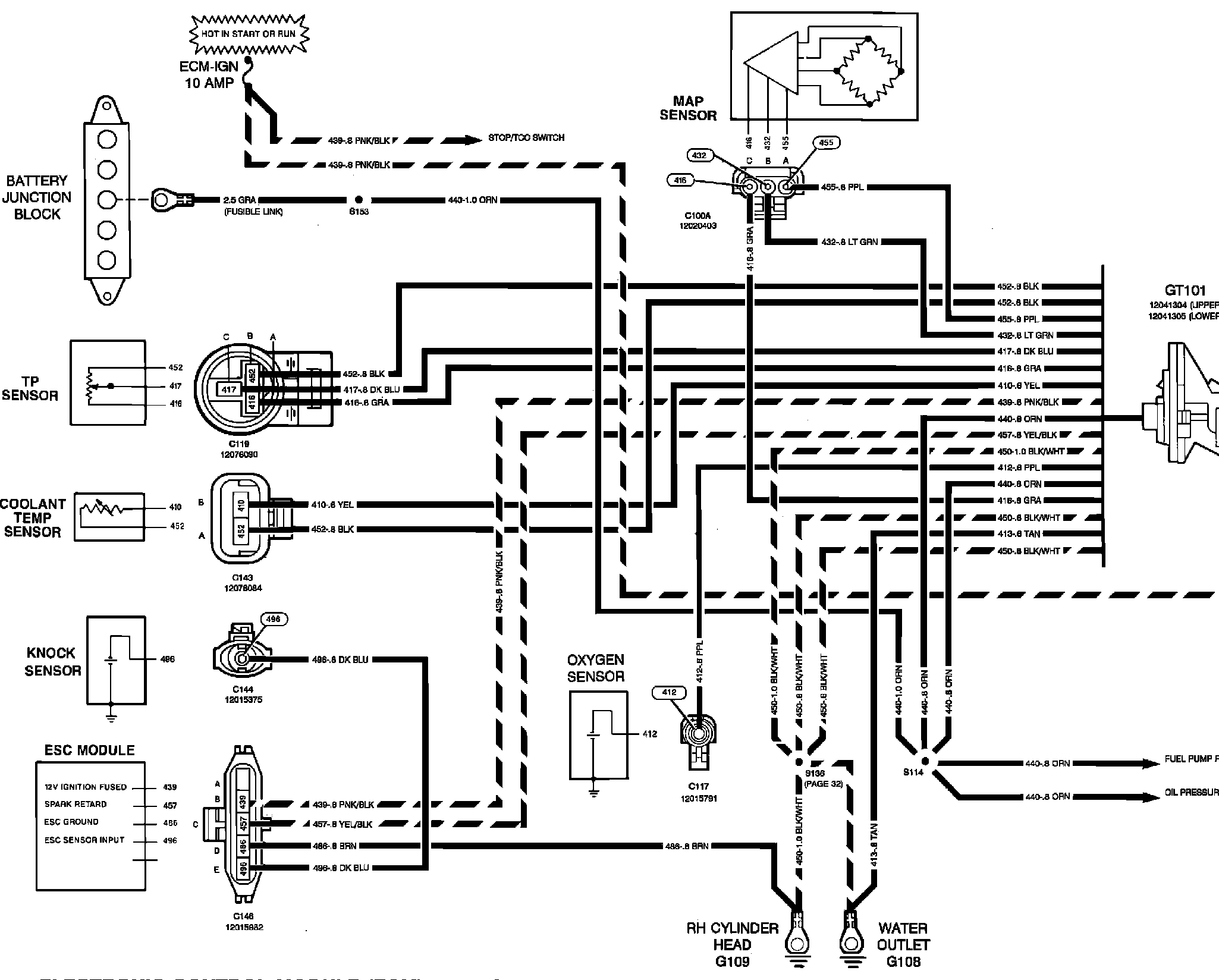
W|�#Powertrain Control Module (PCM) Inputs:



���#Powertrain Control Module (PCM) Inputs: